Labortagebuch September 2021

 Elektronik-Labor  Notizen  Projekte  Labortagebuch

17.8.21: Messung der LED-Helligkeit



Moderne LEDs werden immer effizienter. Da hat  schon oft zu der Situation geführt, dass eine einfache Kontroll-LED z.B. auf einer Arduino-Platine blendend hell war, sodass man kaum noch mit der Platine arbeiten konnte. Für Kinderspielzeuge ist die maximale Helligkeit einer LED in der DIN EN 62115 festgelegt. Sie hängt auch von der Wellenlänge und vom Alter der Kinder ab. Aber ganz grob gesagt gilt für den sichtbaren Bereich, dass die Leistungsdichte in 20 cm Abstand nicht größer als 1 W/ m² sein darf. Messungen haben gezeigt, dass eine solche Helligkeit mit einer superhellen LED bei 20 mA schon erreicht werden kann. Und das ist genau der Fall, wo eine LED nicht nur Kinder unangenehm blendet.


Gesucht wurde eine einfache Methode für eine grobe Messung. Und da bietet sich die Fotodiode BPW34 an. Sie liefert in Sperrrichtung bei einer Sperrspannung von 5 V und einer Helligkeit von 1 mW/cm² ( = 10 W/m²) einen Sperrstrom von 50 µA. Ohne Sperrspannung und  als Fotoelement im Kurzschlussfall sind es noch 47 µA. Das bedeutet, der gesuchte Grenzwert liegt bei 5 µA. Ich muss also nur ein Multimeter im Bereich 200 µA direkt an die BPW34 anschließen. Wenn in 20 cm Abstand mehr als 5 µA gemessen werden, ist die LED zumindest für Kinder zu hell. Es hängt auch noch von der Farbe ab, bei Grün liegt der Grenzwert bei ca. 2 µA. Bei der Messung kann man die Fotodiode in den Bereich maximaler Helligkeit schieben, weil die LED nicht immer genau in die Achse scheint. Und man muss darauf achten, dass die Umgebungshelligkeit während der Messung gering ist.




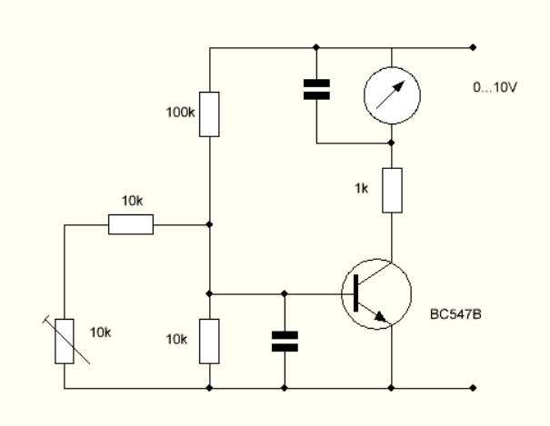
9.9.21: Nanoampere-Stromquelle


Ein NPN-Transistor mit einer definierten Basisspannung verhält sich wie ein fast ideale Stromquelle. Eine Faustregel der Elektronik lautet ja, die Basisspannung kann man mit 0,6 V annehmen. Das stimmt aber nur, wenn es um Kollektorströme in der Größenordnung Milliampere geht. Tatsächlich ist der Zusammenhang zwischen Basisspannung und Kollektorstrom ja über viele Dekaden streng exponentiell. Da gibt es auch wieder eine Faustregel: 20 mV mehr verdoppelt den Strom. An einem BC547B habe ich gemessen, dass etwas weniger als 60 mV den Strom um den Faktor 10 ändern. Und für einen Kollektorstrom von 1 nA brauchte ich ca. 260 mV an der Basis.



Damit ich die Basisspannung mit meinem Labornetzgerät fein genug einstellen kann, habe ich einen Spannungsteiler an der Basis verwendet. Solange der Kollektorstrom 1 µA nicht überschreitet, verursacht der Basisstrom keine wesentliche Verfälschung der Teilspannung. Das Poti habe ich für den Versuch so eingestellt, dass eine Änderung um 1 V gerade einen Faktor 10 des Stroms ausmacht. Zuerst wird dann bei einer gut messbaren Stromstärke die passende Spannung eingestellt. Dann kann man mit Änderungen von 1 V jeweils eine Dekade umschalten. Insgesamt  ergaben sich folgende Messwerte, die allerdings bei jedem Transistor und bei jeder Temperatur etwas anders aussehen können.

Ub
Ube

7,39 V
430 mV
1 µA
6,39 V 374 mV
100 nA
5,39 V 318 mV
10 nA
4,39 V 260 mV
1 nA
3,39 V 202 mV
100 pA
2,39 V 142 mV
10 pA
1,39 V 84 mV
1 pA

Gemessen wurden die Ströme zwischen 1 µA und 1 nA. Dafür verwende ich ein ganz normales Digitalmultimeter im Spannungsbereich. Wenn ich z.B. 10 mV messe und der Innenwiderstand 10 MOhm beträgt, ist der gemessene Strom 1 nA. Die drei Picoampere-Dekaden wurden interpoliert.

Siehe auch: Logarithmisches Pico-Amperemeter


3.9.21: Ein Röhrenverstärker


Mein Bruder hat mir ein paar alte Skizzen mitgebracht, die er in seinem Keller gefunden hat. Eine alte Bleistiftskizze habe ich sofort erkannt, das ist ja meine Schrift und mein Zeichenstil! Und das Blatt trägt deutliche Spuren des Lötkolbens, was darauf hinweist, dass die Schaltung wirklich gebaut wurde. Die Zeichnung muss ungefähr 50 Jahre alt sein. Ich erinnere mich noch dunkel, dass ich einen Röhrenverstärker gebaut habe, damit wir mit dem Tonbandgerät Musik hören konnten. Zu der Zeit war noch kein Gedanke an Röhren-Nostalgie, sondern das war die einfachste Möglichkeit, einen Verstärker zu bauen, und man kam auch leicht an die nötigen Bauteile heran. Die Schaltung selbst zeigt keine Besonderheiten. Nur die Siebkette ist nicht ganz optimal, weil ich wohl keine Drossel hatte. Der Verstärker hatte dann wahrscheinlich ein Watt weniger, aber es hat gereicht.


1.9.21: Fledermaus-Leitungsfinder



Eine in einem Garten verlegte Stromleitung sollte aufgespürt werden, und ich wurde um Hilfe gebeten. Die Leitung endet in einer Gartensteckdose, die noch funktioniert. Und die zugehörige Sicherung im Haus ist auch bekannt. Aber wo genau verläuft das Kabel? Auch die Tiefe im Erdboden ist nicht bekannt. Durch die Erde hindurch hindurch messen, das erinnert mich an den U-Boot-Funk im Bereich um 20 kHz. Da müsste doch der Fledermausdetektor als passender Empfänger funktionieren. Auf das Kabel wird ein Signal im Bereich 20...50 kHz gegeben, und der Fledermausdetektor bekommt eine geeignete Drahtantenne. Das Kabel zum Mikrofon wurde dazu vorübergehend abgelötet und an der Stelle ein Krokokabel als Empfangsantenne angeklemmt.



Der passende Generator dazu besteht aus einer halben Fledermausplatine mit dem NE555 und Poti-Abstimmung. Die andere Hälfte hatte ich kürzlich als Verstärker für ein Radio verwendet. Der Generator kann nun im selben Bereich abgestimmt werden wie der Detektor. Es gibt Anschlüsse für GND und Signal, wobei das Signal über 100 nF vom Pin 3 des NE555 kommt. Ein erster Test zeigte, dass zwei Kokokabel als Antennen eine Reichweite von 2 m brachten. Dann habe ich das Signal auf das Heizungsrohr gelegt und kann überall auch durch Wände hindurch verfolgen, wo die Heizungsrohre liegen.

Im realen Einsatz wurde der Generator zuerst mit einem Gegengewicht durch einen Erdspieß an den Schutzleiter der Gartensteckdose geklemmt. Man konnte Signale durch den Erdboden empfangen, aber auch relativ weit rechts und links vom Kabel. Und es zeigte sich, dass das Signal dann auf jedem Schutzleiter im Haus zu hören war. Im zweiten Versuch bei abgeschalteter Sicherung wurde das Signal auf den sonst spannungsführenden Leiter gelegt. Und damit ließ sich dann genau orten, wo das Kabel ins Haus führt und an welcher Verteilerdose es endet. Aufgabe gelöst, ab jetzt werden wieder Fledermäuse gehört.

Erfahrungsbericht: Gerd Heinz berichtet über einen ähnlichen Einsatz bei der Suche einer Leitung im Haus. Als Signalquelle diente eine Energiesparlampe:  www.gheinz.de/techdocs/hobby/ls/index.htm#1


 Elektronik-Labor  Notizen  Projekte  Labortagebuch