Labortagebuch Februar 2017

 Elektronik-Labor  Notizen  Projekte  Labortagebuch

27.2.17: Experimentiersystem Operationsverstärker von Jos van den Enden



Ich bin finde die Grundschaltungen der Elektronik sehr interssant. Selbst habe ich etwa ähnliches gemacht für einen Opamp. Alle mögliche Konfigurationen realiseren auf einen Platine. Spass!



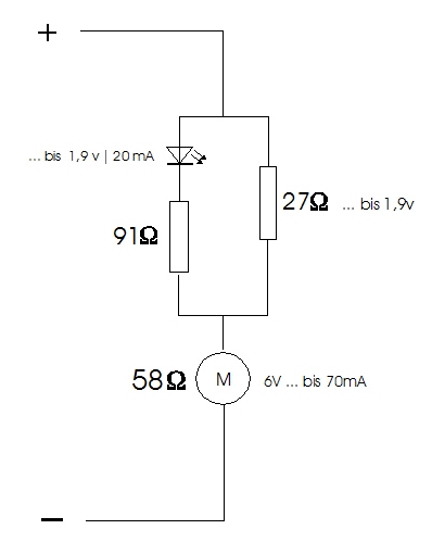
24.2.17. Verlustleistung am Vorwiderstand



Dieser Versuch stammt aus dem Lernpaket Einstieg in die Elektronik. Die LED zeigt den mit der mechanischen Belastung wechselnden Strom des Motors an. Entscheidend dafür ist der Spannungsabfall am Shunt. Den Shunt habe ich einfach nur experimentell ermittelt. Aber jetzt kam eine Frage von Laura, die es genauer wissen wollte: "Auf der 47 Ohm Seite müssten ja ca. 128 mA fließen. Das wären dann ca. 766 mW. Dabei müsste sich der 47-Ohm Widerstand doch komplett in Rauch auflösen?"

Zur Beantwortung der Frage  habe ich mal den Widerstand des Motors im Stillstand gemessen: 55 Ohm. Damit rechne ich so: Der Anlaufstrom beträgt 6 V / (55 Ohm + 47 Ohm) = ca. 60 mA. Damit läuft der Motor gut an. Dann hat man ca. 3 V am Widerstand und setzt ca. 180 mW in Wärme um. Die Spannung an der LED ist ca. 1,5 V, der LED-Strom ca. 1,5 mA. Den habe ich bei der Rechnung vernachlässigt. Wenn der Motor läuft, fließt im Leerlauf ein Strom von ca. 10 mA. Dann sinkt die Spannung am Shunt auf ca. 0,5 V, die LED ist noch aus.

Wenn man 47 Ohm direkt an 6 V legt, ist er tatsächlich überlastet. Aber er wird dann nur relativ langsam heiß. Ich schätze, dass er sich nach einer Stunde leicht verfärben würde. Für eine überzeugende Rauchwolke müsste man ca. 10 W verbraten. Mit 47 Ohm an 24 V würde es gehen. Ein paar Mal habe ich solche Wolken schon gesehen. Danach muss man gut lüften.

Daraus ergab sich ein Vorschlag für eine andere mögliche Dimensionierung der Schaltung. Und tatsächlich, so geht es auch:



.. und die Frage nach dem Sinn rauchender Widerstände. "Gehört das eigentlich zur Materie dazu, dass ab und an ´mal ´was ... "hochgeht" ... ??"

Widerstände brennen oft dann durch, wenn an anderer Stelle in einer Schaltung ein Bauteil kaputt geht. Oft ist es ein Kondensator oder ein Transistor. Manchmal baut man Widerstände wie Sicherungen ein. Sowas habe ich in LED-Lampen und in Energiesparlampen und in kleinen Steckernetzteilen gesehen. Wenn dann was passiert, brennt "nur" der Widerstand durch, aber ein Brand oder sowas wird verhindert.


17.2.17: Stromverstärkung einer Darlingtonschaltung



Kürzlich kam die Frage auf, wie hoch die Stromverstärkung einer Darlingtonschaltung wirklich ist. Dazu ein Versuch: Es wurden zwei BC547B verwendet, deren Stromverstärkung mit 215 und 269 gemessen wurde. Wenn man beide multipliziert kommt man auf 57835-fach. Theoretisch. Denn bei sehr kleinen Kollektorströmen nimmt die Verstärkung etwas ab.

Für die Messung musste ein ausreichend kleiner Basisstrom her. Das gelingt durch Gegenkopplung und den hohen Innenwiderstand des DVM mit 10 MOhm. Bei einem Kollektorwiderstand von 4,7 k  und einem Kollektorstrom von 1 mA wurde eine Spannung von 250 mV zwischen B und C gemessen. Der Basisstrom war also 25 nA und die Stromverstärkung 40000-fach.  Bei 300 Ohm ergab sich ein Kollektorstrom von 10 mA und eine Spannung zwischen B und C von 1,8 V. Der Basisstrom war 180 nA und die Stromverstärkung 55600-fach, also schon sehr nah am berechneten Wert.

15.2.17: Auslaufende Alkaline-Batterien von Peter Krueger




Ich hatte wieder und wie schon so oft Probleme mit undicht gewordenen Alkaline-Batterien. Diese Art Probleme haben offensichtlich auch Millionen von anderen Benutzern dieser Art Batterien. Auch fehlt auf den Batterien ein Aufdruck mit Warnhinweis vor Ausgasung und evt. Folgeschäden wie Korrosion hinweist. Ich bin sehr frustiert, dass im Jahr 2017 die Vielzahl von Batterieherstellen immer noch nicht in der Lage sind gasdichte Batterien herzustellen. Diese Art unausgegorene Technik von Batteriedesign dürfte garnicht erst vermarkted werden! 

Der komplette Artikel (update 20.2.17): Alkali-Mangan-SchadensbehebungV1.pdf

Tipps von Jürgen Heisig

Bewährt hat sich folgende Vorgehensweise:
- Sichtbare Verunreinigungen (Elektrolyt, Salze) möglichst mechanisch entfernen, z.B. mit Holzstäbchen, Zahnstocher o.ä. Dabei sehr “pingelig” sein, jedes Krümelchen davon muss weg.
 - Mit etwas verdünnter Zitronensäure und Pinsel nacharbeiten. Dadurch werden evtl. Reste des Elekrtrolyts neutralisiert (man merkt es dann am Schäumen, falls noch etwas vorhanden war)
 - Mit lauwarmem Wasser nachreinigen und gründlich trocknen lassen
 Wenn man das mit dem Neutralisieren nicht macht, werden die Kontakte der Batteriehalterung auf Dauer endgültig zerstört ...
 
Die Methode mit Spülmittel sollte auch funktionieren, aber wohl nur wenn es Zitronensäure oder eine andere Säure enthält.

9.2.17: Mittelwellen-Detektor mit Rahmenantenne



Jetzt hatte ich die Möglichkeit, das neue Detektor-Projekt von Roger Leifert einmal live im Labor bei Modul-Bus auszuprobieren. Die verwendete Rahmenantenne verwendet extrem starke HF-Litzt mit 90 x 0,1 mm. Wir haben den Rahmen mit Drehko- und Dioden-Abstimmung getestet. Vorher war ich skeptisch, ob heute noch ein Detektor sinnvoll betrieben werden kann, und ob speziell in diesen Räumen ein ausreichender Störabstand zu erreichen ist. Ich war dann überrascht, wie viele ferne Sender klar und deutlich zu hören waren.

Roger hat sich  intensiv um die optimale Auswahl und Anpassung der Detektor-Diode bemüht. Nach seinen Berechnungen braucht man ca. 20 mV HF, wenn die Diode auf der NF-Seite nur sehr gering belastet wird. Genau diese Grenze fand ich dann bei einer direkten Messung am Schwingkreis bestätigt. Gleichzeitig fiel bei den Messungen auf, dass schon der Eingangswiderstand von 10 MOhm an der Oszi-Messspitze mit Vorteiler 10:1 eine deutliche Dämpfung schwacher Signale brachte. Das bedeutet, dass  der Antennenkreis einen extrem hohen Resonanzwiderstand besitzt, was die starke Empfangsleistung erklärt und auch zu einer sehr kleinen Bandbreite führt.


3.2.17: MEMS-Mikrofon intern



Beim Löten ist mir ein MEMS-Mikrofon kaputt gegangen. Nicht nur habe ich das Schallloch zugelötet, auch die ganze Metallhaube hat sich gelöst Aber das war die Chance, mal einen Blick auf die Innereien zu werfen. Man sieht die MEMS-Messkammer mit einer Größe von nicht viel mehr als 1 mm². Das ist praktisch ein Kondensator mit dünner Membran. Das ganze Mikro ist nur 3 * 4 mm² groß. 


 Elektronik-Labor  Notizen  Projekte  Labortagebuch