Labortagebuch Januar 2021

 Elektronik-Labor  Notizen  Projekte  Labortagebuch

29.1.21: Das Zahnseidenradio von Ulli



Ich hab bisschen gebastelt und die mini Radio Platine aus dem Radiokalender als Kopfhörer-UKW-Radio in eine Zahnseide-Packung gebaut. Bedienfeder: Vorderseite links und rechts Senderwahl, Mitte Standby. Stromquelle ist ein kleiner Lipo Akku, der für Modellfliegerei zu schlecht geworden ist.



Unter der Klappe: lauter/leiser und mains power.



Am Ende war es etwas störend, dass das Radio immer zuerst mit voller Lautstärke startet. Abhilfe sollte zuerst eine Reihenschaltung der beiden Kopfhörerseiten bringen. Es war aber eine Sound-Katastrophe, weil Links und Rechts gegenphasig angesteuert werden. Habe jetzt wieder die Parallelschaltung verwendet und dazu 470 Ohm in Reihe.


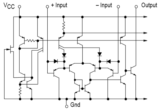
15.1.21: Common Mode Range beim LM393



Dass der Eingangsspannungsbereich eines Komparators im negativen Bereich begrenzt ist, habe ich schon einmal gespürt (siehe Sparrow). Aber auch im positiven Bereich gibt es eine Grenze. Im Datenblatt von TI steht dazu:

“The voltage at either input should not be allowed to go negative by more than 0.3 V otherwise output may be incorrect and excessive input current can flow. The upper end of the common-mode voltage range is limited by VCC – 2V. However only one input needs to be in the valid common mode range, the other input can go up the maximum VCC level and the comparator provides a proper output state. Either or both inputs can go to maximum VCC level without damage.”

Was aber passiert, wenn man den Bereich an beiden Eingängen überschreitet? Der Ausgang wird dann zwangsweise aktiv (low). Messungen haben gezeigt, dass das bei einer Betriebsspannung von 3 V erst ab Eingangsspannungen von  2 V passiert. Im Bereich 0 V bis 2 V werden die Eingangsspannungen verglichen. Wenn aber beide oberhalb 2 V sind, wird der Unterschied unbedeutend, der Ausgang schaltet in jedem Fall low. Auf dieses Detail bin ich gestoßen, als ich die Schaltung des Franzis Linienfolger-Roboters genauer analysiert habe. Dort wird diese Eigenschaft bewusst ausgenutzt. Wenn beide LDRs die schwarze Linie erkennen, sind beide Eingangsspannungen hoch, und beide Motoren laufen. Erst wenn einer in den weißen Bereich trifft, wird der entsprechende Motor abgeschaltet.




Ein Operationsverstärker LM358 ist weitgehend verwandt mit dem Komparator LM393. Ich habe ihn deshalb unter den gleichen Bedingungen getestet. Er zeigt genau das gleiche Verhalten mit dem Unterschied, dass die normale Funktion bis zu 2,5 V funktioniert. Auch bei anderen Betriebsspannungen gilt: Der Komparator arbeitet bis 1 V an die Betriebsspannung heran, der OPV bis 0,5 V. Oberhalb dieser Grenze schalten beide low.


11.1.21: Sperrerholungszeit von Dioden  von Hennung Polzer


Mit dieser Schaltung sollte sich bei seiner experimentellen Umsetzung augenfällig und ohne Oszilloskop zeigen, dass die Sperrerholungszeit von Dioden des Typs 1N400x vergleichsweise groß ist: Am Computer habe ich zu diesem Zwecke eine Sinusfrequenz von 20 kHz mit dem Programm Audacity erzeugt und diese über einen externen Leistungsverstärker verstärkt, um am Verstärkerausgang die High-Power-LED zu betreiben, natürlich könnten auch andere ausreichend starke Signalquellen genutzt werden. Bei der ursprünglichen Versuchsschaltung mit einer langsamen 1N4006 hat die LED geleuchtet, beim Austausch der 1N4006 gegen eine ultraschnelle 1N4148 nicht mehr. Bei einer niedrigen Audiofrequenz in Höhe der Netzfrequenz von 50 Hz war auch bei der 1N4006 kein Leuchten der LED sichtbar, die Netzgleichrichterdiode hat dann zuverlässig gesperrt. Ich führe die Veränderung darauf zurück, dass die 1N4006 bei 20 kHz nicht mehr schnell genug sperrt, um einen Stromfluss zu verhindern, die 1N4148 dagegen sperrt so schnell, dass kein Leuchten der LED mehr auftreten kann. Eine der 1N4148 schützt die LED nur vor zu hohen Spannungen in Sperrrichtung, ein Widerstand (220R) begrenzt den Strom, der andere Widerstand (1k) soll die Umladung des Kondensators am Verstärkerausgang ermöglichen, sonst wird die LED auch bei langsamer Diode sukzessive dunkler. Beim Experimentieren bitte nicht direkt ins Licht der äußerst hellen LED blicken!

B.K.: Den Effekt wollte ich auch mal am Oszilloskop beobachten. Zufällig war gerade ein Rechteckgenerator mit 40 kHz zur Hand, den ich mit einem Zusatzprogramm im Spiele-Controller starten konnte.



Der Generator liefert Impulse mit 3V/0V. Mit 100 µF und 1 kOhm habe ich ein echtes Wechselspannungssignal erhalten. Dieses wurde mit einer 1N4004 und einem Lastwiderstand von 10 k gleichgerichtet.



Der starke Überschwinger in den negativen Bereich zeigt die verzögerte Sperrwirkung. Mit einer 1N4148 blieb dieser Effekt fast unsichtbar.



 Elektronik-Labor  Notizen  Projekte  Labortagebuch