Johannes Schmitz, Burkhard Kainka
Auf Jogis Röhrenstammtisch bekamen wir von Kaspie und Carawu ein paar Thyratron-Röhren PL21 geschenkt. Was macht man nun damit? Natürlich ein Sand-freies Monotrikton bauen! Das Ur-Monotrikon wurde ja noch mit Transistoren und einem Drehspulmesswerk entwickelt (siehe: www.b-kainka.de/bastel77.htm)

Wie man mit einem solchen "Stromtor" umgeht, steht im "Handbuch für Hochfrequenz- und Elektrotechniker", Band 2 von 1953. Da findet sich auch ein Schaltbild eines Kippgenerators, also genau das, was gesucht war. Versuche zeigten, dass es auch ganz gut ohne die Drossel geht.

Die Dreieckspannung steuert direkt eine EM84 an. Zum Glück ist das Triodensystem in dieser Röhre völlig getrennt und braucht nicht verwendet zu werden.

Der 10-M-Widerstand kann auch noch entfallen, weil die Ablenkelektrode der Anzeigeröhre selbst etwas Strom zieht. Und da steht es nun, das Monotrikton mit nur vier Bauteilen. Es leben die Röhrentechnik!

Hinweise von Jürgen Heisig:
Da ich keine PL21 besitze, habe ich heute mal mit anderen Alternativen experimentiert. Grundsätzlich geht es mit jeder Glimmlampe, Stabi-Röhre (getestet mit SG3S), oder auch mit dem Kaltkathoden-Thyratron von Pollin (TX4b).
Der Strom über Pin7 der EM84 beeinflusst sehr die Spannungsverhältnisse. Zum Experimentieren ist es daher hilfreich, wenn man in Kathode und Anode der EM84 ein Poti (ich habe 470K verwendet) einschleift. Damit kann man dann den Anzeigebereich durch wechselseitiges Verstellen besser einregulieren. Eine optisch vollständige Ausnutzung des Anzeigebereichs ist mir nicht gelungen - wohl auch wegen der exponentiellen Ladekurve des Kondensators, die Aufladung im unteren Bereich ist zu schnell.
Aufbau mit Glimmlampe, von Hans Martin Sauer:
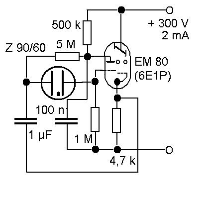
Ich habe mit großem Interesse Ihre Internetseiten gelesen, und ganz besonders die mit dem Röhren-Monotrikton. In meiner Bastelschublade habe ich nämlich eine alte EM 80 gefunden. Die Röhre leuchtet zwar etwas flau, aber sonst ist sie voll funktionsfähig. Allerdings besitze ich weder eine PL 21 noch ein anderes Thyratron. Daher habe ich statt dessen Versuche mit einer gewöhnliche Glimmlampe gemacht (Zündspannung 90 V, Brennspannung 60 V). Na ja, das Ergebnis war zunächst nicht sonderlich überzeugend. Es wollte mir nicht gelingen, eine stabile Sägezahnspannung zu erzeugen, die den Fächer der EM 80 einigermaßen weit aussteuert.
Ich habe schließlich doch eine Lösung gefunden, indem ich das Zünden und
Verlöschen der Glimmentladung mit dem Triodensystem der EM 80
unterstützt habe. Mit den angegebenen Widerständen und Kondensatoren schwingt das Ganze
mit etwa 1 bis 2 Hz.

Die Funktionsweise ist wie folgt: zunächst läd sich der 1-Mikrofarad-Kondensator über den 500 Kiloohm Anodenwiderstand und den 5-M-Vorwiderstand auf. Wenn die Glimmlampe dann zündet, wird die Triode leitend, und die Anodenspannung sinkt von ca. 200 V auf etwa 30 V ab. Dadurch wird der Ladestrom des Kondensators unterbrochen. Der Kathodenwiderstand sorgt außerdem für eine gewisse Mitkopplung, so daß die Glimmlampe voll durchzündet. Wenn der Kondensator auf ein gewisses Niveau entladen ist und die Glimmlampe verlischt, steigt die Anodenspannung wieder auf 200 V, und der Zyklus beginnt von neuem. Im Grunde also ganz simpel.

Sie werden sich sicherlich fragen, wo Ihr
Röhren-Monotrikton Anwendung gefunden hat. Die Sache ist nämlich nicht
wieder in meiner Bastelkiste verschwunden. Vielmehr verrichtet das
Monotrikton auf meiner Modelleisenbahn treue Dienste. Ich wollte schon
immer eine eigene Chemie-Fabrik haben, und sei es im Modellbahn-Maßstab. Nun
habe ich mir eine Kryptonit-Fabrik gebastelt: "Luthor & Co. Chemical
Works Inc.", Sie wissen schon, die produzieren das grün fluoreszierende
Zeug, das Superman so arg zu schaffen macht. Da muß auch das magische Auge
hin und wieder zwinkern.
Das Röhren-Monotrikton als Bausatz gibt es hier: http://www.bastlerbeutel.de/html/BB/BB2.htm