
Kürzlich kam ich das neue Radiogehäuse von Andreas Kirschner an (www.tischlerei-kirschner.de). Da erwachte der Plan, ein neues Audion zu bauen. Als Röhren wurde die 2SH27L ausgesucht, weil sie so wenige Heizleistung brauchen und gut aussehen. Dazu passt die neue Luftspule von Gerd Reinhöfer. Der Spulenbaussatz ist für einen fünfpoligen Europasockel ausgelegt und ist ideal für ein Kurzwellenaudion mit Steckspulen. (www.roehrentechnik.de/html/einzelkreise.html). Wie man die Röhren aus der Metallumhüllung auspackt, steht in Jogis Röhrenbude: (www.jogis-roehrenbude.de/Russian/2SH27L.htm)
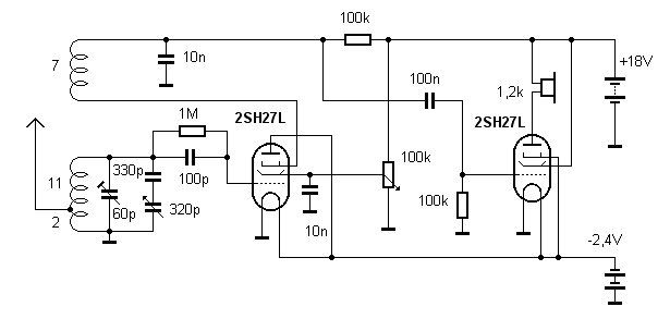
Jetzt ist das Radio in der ersten Version fertig. Damit noch später was geändert werden kann, wurde erst mal statt der mitgelieferten Holzplatte ein Grundplatte aus Karton gebaut. Die Schaltung zeigt einige Besonderheiten. Man beachte das Bremsgitter der Audionröhre, das hier als Anode dient. Die Anode selbst ist mit - 2,4 V kalt gestellt. Das Audion arbeitet also effektiv mit einer Tetrode.

Ein Vorteil der 2SH27L ist ihre geringe Heizleistung von 2,2 V * 57 mA = 125 mW (zum Vergleich: 1890 mW bei der EF80). Deshalb kann man einen sehr sparsamen Batterieempfänger bauen. Für die Heizung werden zwei NiCd-Zellen mit 2,4 V verwendet. Die Anodenspannung kommt von zwei 9-V-Blöcken. Insgesamt braucht man nur ca. 1 mA Anodenstrom, deshalb halten die Anodenbatterien lange. Und trotzdem zeigt die Schaltung eine sehr gute Empfangsleistung und Lautstärke sogar ohne einen Ausgangsübertrager, also direkt an einem hochohmigen Kopfhörer (Sennheiser HD414).
Eine direkt geheizte Röhre ermöglicht nicht die sonst beliebte Rückkopplung über die Kathode. Deshalb wurde hier eine zusätzliche Koppelwicklung aufgebracht. Außerdem arbeitet die Röhre mit einer positiven Vorspannung von +2,4 V am Gitterwiderstand, bezogen auf den negativen Heizanschluss. Diese Einstellung bringt genügend Verstärkung schon bei kleiner Anodenspannung.
Warum aber wurde das Bremsgitter als Anode verwendet? Ich muss zugeben, beim ersten Aufbau habe ich versehentlich zwei Pinne vertauscht: Anode und Bremsgitter. Trotzdem war das Ergebnis sehr gut. Als ich es dann "richtig" machen wollte, wurde das Audion sehr leise. Also wurde doch wieder das Bremsgitter zur Anode ernannt. Die Schaltung ist zwar nur zufällig entdeckt worden, aber das Ergebnis ist durchaus erklärlich. Ein Audion braucht einem Arbeitspunkt, an dem drei Faktoren stimmen müssen:
Teilweise widersprechen sich diese Forderungen, so dass ein Kompromiss gefunden werden muss. Zu viel Steilheit bedeutet z.B., dass der Schwingungseinsatz bei sehr geringer Schirmgitterspannung liegt, was zu einer geringen NF-Verstärkung führt. Der Rückkopplungsregler sollt bei ca. 2/3 der Betriebsspannung stehen. Oft muss man die Kopplungswicklung verkleinern, um Ug2 etwas hoch zu bringen. In diesem Fall ergab sich per Zufall eine andere Lösung: Die Tetrode mit dem ehemaligen Bremsgitter als Anode hat weniger Anodenstrom und Steilheit als die ursprüngliche Pentode. Deshalb liegt der Schwingungseinsatz bei einer relativ großen Schirmgitterspannung. Außerdem kann man sich einen großen Anodenwiderstand leisten, was zu mehr Spannungsverstärkung führt. Nur zum Vergleich: Mit der echten Pentode konnte die Anodenspannung bis auf 2,4 V verkleinert werden, aber das Radio wurde sehr leise.

Die Spule trägt zwei Wicklungen. Der eigentliche Schwingkreis verwendet 13 Windungen versilberten Kupferdraht mit 0,6 mm Durchmesser mit einer Anzapfung bei der zweiten Windung für den Antennenanschluss. Die Koppelspule besteht aus 7 Windungen CuL 0,3 in den Zwischenräumen. Die Drähte sind über Lötösen mit den Steckern verbunden. Von Reinhöfer kommt auch die passende Europafassung mit 5 Polen.