EF95-Audion für Kurz- und Mittelwelle

Das Ziel bei diesem Projekt war, ausschließich mit vorhandenem Material ein gutes Radio zu bauen. Da gerade nur eine Röhre zum ‚‚Verbasteln’’ vorhanden war, probierte ich, zunächst auf einem Kosmos-Experimentierkasten, verschiedene Radioschaltungen mit der EF95 aus. Zuerst habe ich es auch mit nur 6V Anodenspannung probiert, bin aber zu keinem akzeptablen Ergebnis gekommen. Schon mit 9V wurde es massiv besser; eine Erhöhung der Anodenspannung auf 12V brachte dann sogar sehr gute Ergebnisse. Das Radio läuft jetzt also mit 12V.

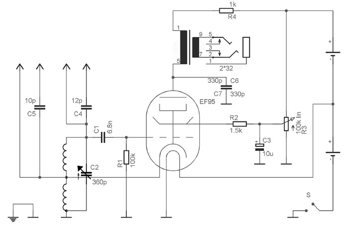
Das Gerät hat verschiedene Antennenanschlüsse, um jede Antenne bestmöglich anpassen zu können. Darüber hinaus gibt es Buchsen für die aufsteckbaren Spulen. Damit wird das Radio in verschiedenen Frequenzbereichen nutzbar. Momentan gibt es eine Mittelwellen- und eine Kurzwellenspule.

Ich empfange den gesamten Mittelwellenbereich sowie auf Kurzwelle das 49m-Band, das 41m-Band und das 31m-Band. Ausserdem ist auch noch das 40m-Amateurfunkband zu hören. Der Drehko stammt aus einem defekten Radio.

Für diesen ‚‚untersetzungslosen’’ Drehko wurde
eine spezielle Mechanik hergestellt (Zahnräder, mit Kugellager, auf
Kuststoffplatte montiert, Untersetzung ca. 1:2). Der Ausgangsübertrager ist ein
einfacher Netztrafo mit 230V/9V, der Kopfhörer ein ganz normaler mit 2*32 Ohm.
Die Rückkopplungsregelung geschieht über die Veränderung der
Schirmgitterspannung. Das Endergebnis ist diese Schaltung hier (Schaltplan und
Bilder des Radios im Anhang). Die Schaltung ist, wie man sieht, nichts
Besonderes, ein gewöhnliches Audion halt…

Das Radio ist mitsamt den Batterien in einem handgefertigten
Gehäuse untergebracht. Um das Gehäuse herzustellen brauchte ich fünf Tage, die
Schaltung war in 20 Minuten fertig…

Auf jeden Fall habe ich jetzt ein Audion, das vor allem auf
Kurzwelle überzeugen kann. Schon beim Probelauf am Vormittag wurden an einem
Draht von 3 Meter insgesamt 14 Sender auf Kurzwelle sowie 2 auf Mittelwelle
klar gehört. Am Abend dann wurde es natürlich noch besser, die Stationen sind
teilweise gar nicht mehr zählbar, so viele sind es - man hört fast alles
zwischen Deutschland und den Philippinen. Eine gute Antenne ist auch, vor allem
auf Kurzwelle, die Regenrinne.
Fazit: der Bau dieses Radios hat sich wirklich gelohnt und es ist doch erstaunlich, wie wenig man für ein Radio braucht.
Benjamin Steiner (14 J.)