
Franzis-Verlag, 2005

Vorwort
Was bringt heute noch jemand dazu, sich für Röhren zu interessieren, wo doch die Blüte der Röhrentechnik schon 50 und mehr Jahre zurückliegt? Es ist die Neugier und das Bemühen, den Dingen auf den Grund zu gehen. Dazu kommt vielleicht noch ein wenig Nostalgie. Manch einer erinnert sich an vergangene Tage, als das geheimnisvolle Glühen der Röhren noch zum Alltag gehörte. Vielleicht haben Sie auch wie der Autor dieser Anleitung mit Röhren den Weg in die Elektronik begonnen. Und sicherlich gehört der Lötkolben zu Ihren wichtigsten Werkzeugen.
Versuche mit Röhren sind in mancher Hinsicht einfacher als mit modernen Halbleitern, die immer komplexer und kleiner werden. Eine Röhre ist angenehm groß, ihre Funktion ist überschaubar. Daher interessieren sich auch Elektronik-Newcomer für Röhren. Da hat man noch eine Chance, eigene Ideen zu verwirklichen und Geräte zu bauen, die es so nirgendwo gibt.
Mit diesem Lernpaket erhalten Sie eine gründliche Einführung in die Grundlagen der Röhrentechnik. Vieles was im Großen mit Röhren möglich ist, wird hier im Kleinen erprobt. Aufwendige Netzteile und hohe Spannungen sind nicht erforderlich, weil spezielle Batterieröhren zum Einsatz kommen. Untersuchen Sie einfache Grundschaltungen und entwickeln Sie eigene Schaltungen mit dem vorhandenen oder zusätzlichem Material.
Viel Spaß und Erfolg!
Burkhard Kainka
Inhalt des Experimentierhandbuchs:
1 Einleitung 3
1.2 Weiteres Material im Lernpaket 5
1.3 Grundfunktionen der Röhre 11
2 Die Röhrendiode 14
2.1 Gitterstrom 14
2.2 Gleichrichterdiode 16
3 Gesteuerter Strom 19
3.1 Ein Tastsensor 19
3.2 Verbesserte Triodenschaltung 20
3.3 Positive Gittervorspannung 22
3.4 Stromverteilung 23
4 NF-Verstärker 26
4.1 Triodenschaltung 26
4.2 Pentodenschaltung 27
4.3 Ein Mikrofonverstärker 30
4.4 Ein Stethoskop 32
4.5 Zweistufiger Verstärker 33
4.6 Ein Lautsprecherverstärker 35
5. Oszillatoren 38
5.1 Rückkopplung 38
5.2 Wechselblinker 39
5.3 HF-Oszillator 41
5.4 Höhere Frequenzen 44
5.5 Pendelschwingungen 46
5.6 Gegentaktoszillator 49
6 Radioschaltungen 51
6.1 Röhren-Detektorempfänger 51
6.2 Trioden-Audion 53
6.3 Kopfhörerempfang 54
6.4 Lautsprecherempfang 57
6.5 Verwendung anderer Röhren 61
Anhang 64
Textauszug:
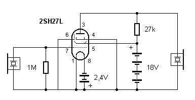
4.3 Ein Mikrofonverstärker
Die Piezo-Schallwandler aus dem Lernpaket eignen sich sowohl als Lautsprecher wie auch als Mikrofon. Die Schaltung nach Abb. 4.5 verzichtet auf Koppelkondensatoren am Eingang und am Ausgang. Da die Piezoscheiben selbst wie Kondensatoren aufgebaut sind, darf eine Gleichspannung angelegt werden.

Abb. 4.5 Verstärker mit Mikrofon und Lautsprecher
Beim Aufbau der Schaltung ist zu beachten, dass die Metallscheiben der Piezowandler an Masse, also am Minuspol der Anodenbatterie liegen. So verhindert man Kurzschlüsse, wenn die Scheiben sich berühren.

Abb. 4.6 Der Mirkofonverstärker
Klopfen Sie leicht mit dem Finger auf das Mikrofon. Nun ist ein Geräusch aus dem Lautsprecher zu hören, der im Interesse einer besseren Schallabstrahlung wieder auf ein Stück Pappe gehalten werden sollte.
Halten Sie nun beide Piezowandler mit ihren Rückseiten zusammen und versuchen Sie unterschiedliche Berührungspunkte. An der geeigneten Stelle kommt es zu einer akustischen Rückkopplung. Man hört ein deutliches Piepsen aus dem Lautsprecher. Das Tonsignal des Lautsprechers erzeugt am Mikrofon eine Signalspannung, die selbst wieder verstärkt wird und den Ton aufrechterhält.
Zusatzversuch: Testen Sie die Schaltung auch mit der geringeren Anodenspannung
von nur 9 V. Die Lautstärke wird zwar geringer, die Verstärkung
reicht aber immer noch aus, um eine akustische Rückkopplung zu erreichen.
Im Test konnte bis herab zu einer Versorgungsspannung von 8 V noch ein
Ton erzeugt werden.
