Elektronik
am PC - Visual Basic in der Praxis -
S. 43 In Abb.4.12 wurde ein NPN-Transistor gezeichnet, es sollte aber ein PNP-Transistor sein. Die Schaltung stammt übrigens aus der Bastelecke.

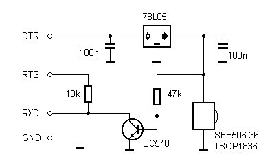
S. 97 Es gab Probleme mit der Schaltung des RC5-Senders nach Abb. 9.6. Die Schaltung muss so aussehen, wie sie auch in Elektor 11/01 beim Infrarot-Transceiver verwendet wurde:

S. 99 Ebenfalls zum RC5-Sender gab es einen Irrtum in Listing 9.3 (BitVal=16 statt BitVal=32). Es war leider nicht aufgefallen, weil die Geräteadresse 0 verwendet wurde.
Private Sub RC5tx(Ctr, Adr, Dat)
BitTime = 888
REALTIME True
TIMEINITUS
TXD 1
While TIMEREADUS < (BitTime * 1)
Wend
TXD 0
While TIMEREADUS < (BitTime * 2)
Wend
TXD 1
While TIMEREADUS < (BitTime * 3)
Wend
TxBit (Ctr)
BitVal = 16
For n = 1 To 5
b = Int((Adr And BitVal) / BitVal)
TxBit (b)
BitVal = BitVal / 2
Next n
BitVal = 32
For n = 1 To 6
b = Int((Dat And BitVal) / BitVal)
TxBit (b)
BitVal = BitVal / 2
Next n
TXD 0
REALTIME False
End Sub
S. 158 Hier taucht der gleiche Fehler noch mal in Listing 13.2 auf.
S. 106 Ein Tippfehler in Listing 10.2 zum RS232-Terminal.
If (dat > -1) And (dat <> 13) And (dat <> 19)
Then
muss heißen:
If (dat > -1) And (dat <> 13) And (dat <> 10) Then
Man findet das berichtigte Programm unter den Dateien für den IR-Transceiver im Bereich Download auf dieser Homepage
S. 116/117: Listing 10.6 entspricht nicht der letzen Version, wie sie auf der CD zum Buch vorhanden ist. Das abgedruckte Programm verwendet noch die Port.DLL, während das Programm auf der CD mit der neuen DLL arbeitet und außerdem für COM1 und COM2 ausgelegt ist.
S. 120 Ein Fehler hat sich in Abb. 10.12 eingeschlichen. So ist es richtig:

FAQ
Frage: Kann man die vorgeschlagenen Projekte auch in C++ umsetzen?
Antwort: Meist wird im Buch die Port.DLL verwendet. Für diese DLL gibt es auch die Deklarationen in C++ und in Java. Näheres hier.
Frage: An einer RS232 wurden relativ große Abweichungen zu den Messungen im Buch festgestellt: Uo=11,94 V bei "1", Uo=-11,28 bei "0" , Imax=11,80mA bei "1", Imax=-8,3mA bei "0", Eingänge: Untere Schwelle: 0,60V und 0,08mA, obere Schwelle : 1,90V und 0,29mA. Warum liefert die Schnittstelle einen so geringen Strom?
Antwort: Es werden wohl FET-Ausgänge verwendet, wobei der Hersteller des RS232-Bausteins sich relativ weit von den üblichen Daten entfernt hat. Macht aber nicht viel aus, die meisten Versuche funktionieren damit genauso. Vermutlich muss man nur bei den anlogen Messungen etwas mehr Arbeit in die Kalibrierung stecken.
Frage: Im Elektor-Artikel zum Infrarot-Transceiver wurde ein digitaler digitaler Datenplotter gezeigt. Stammt der aus diesem Buch? Kann man den mal ausprobieren?
Antwort: Ja, hier ist er: Logger.zip (3k) Das Programm verwendet die Eingänge CTS und RI an einer COM-Schnittstelle.

Frage: Im Buch ist die Stückliste zum Universalinterface in Kap. 14 nicht angegeben. Wo kann man sie bekommen?
Antwort: Das Projekt wurde in Elektor 12/1999 vorgestellt. Die Platine ist noch zu bekommen. Für neuere Hefte findet man jede Stückliste bei www.elektor.de Ältere Artikel können einzeln als PDF-File von Elektor bestellt werden. Die folgende Liste stammt direkt aus dem Heft. Die Software (Compact) zum Projekt findet man übrigens auf der Downloadseite.



Fehler im Programm UniIO
Alle bisher bekannten Fehler wurden in der zweiten Ausgabe des Buchs
bereits berichtigt. Aber hier kommt ein neuer: Herr Dreißigacker
hat den Fehler im Programm UniIO.vbp (Listing 14.4, S. 174) für das
Universalinterface entdeckt: Es muss in der Sub IO( ) heißen:
If DSR=1 then Ain = Ain + BitvalueAD
Hier kommt das berichtigte Programm: UniIO (uniio.zip, 3 K)
Lernfähige IR-Fernbedienung in VB6
Daniel Abler entwickelte diese Software: "Im Rahmen meiner Facharbeit habe ich mich mit Fernbedienugssignalen beschäftigt und bin in ihrem Buch auf Empfangsmöglichkeiten für den RC5-Code gestoßen. Mit Hilfe des "IR-Transceivers", der in der Zeitschrift Elektor im November/Dezemberheft 2001 vorgestellt wurde, habe ich das Programm "Logger" zu einer Universalfernbedienung erweitert. Dieses erlaubt nun verschiedene Fernsteuerprofile am PC zu erstellen, die entsprechenden Signale einzuspielen und in gleicher Weise wieder zu senden."

Download des Programms Fernbedienung.exe mit allen VB6-Quelltexten (remote.zip 309 K): Hinweis: Vor dem ersten Start der Software muss ein Verzeichnis C:\ir angelegt werden.
Temperaturmessung mit einem NTC:
Auf der Seite 75 des Buchs fehlen in der oberen Formel zwei Klammern. So ist es richtig:

In Kap. 10.3 wird ein verändertes Programm Logger2 vorgestellt, das u.a. die Verwendung der RS232.DLL aus Kap. 12 demonstriert. Das Projekt fehlte auf der CD und steht hier zum Download bereit: Logger2.zip