Uropas
FunkensenderHome Labor Röhren HF Logbuch Bastelecke
Dass ein elektrischer Funke Hochfrequenz erzeugt, weiß jeder aus der Erfahrung von Funkstörungen. Die ersten Sender vor über 100 Jahren (Marconi 1895) verwendeten eine Funkenstrecke mit einer Dipolantenne. Die Frequenz lag im UKW-Bereich und wurde durch die Länge der Antenne eingestellt. Als Empfänger diente ein zweiter Dipol und ein Fritter. Der Fritter war so etwas wie ein definierter Wackelkontakt aus Metallspänen. Der empfangene Hochfrequenzimpuls konnte den Kontakt schließen.

Vielleicht haben auch andere schon folgendes beobachtet: Alte Radios kranken oft am Wellenschalter, weil die Kontakte oxidieren. Irgendwann hört man nichts mehr. Oft reicht ein gezielter Schlag mit der Handkante, dann geht es wieder. Aber manchmal führt auch ein elektrischer Funke zum Erfolg. Man hört einen Knack (der Nachbar schaltet das Licht aus), und schon geht das Radio wieder. Also funktioniert der Wackelkontakt im Radio wie ein Fritter.
Kürzlich beobachtete ich ganz zufällig, wie im gleichen Moment ein Flip-Flop in einer digitalen Schaltung umkippte, an der gerade ein Oszilloskop hing. Da war die Idee geboren: Was Uropas Wackelkontakt (genannt Fritter) schaffte, das muss doch ein Transistor-Flipflop auch schaffen. Also ran ans Werk! Als Basis diente ein Elektronik-Baukasten von Kosmos. Und hier ist das Ergebnis:

Es wird kein Patent,
was jeder schon kennt.
(Dietrich Drahtlos)
Der Schaltplan zeigt eine monostabile Kippschaltung. Über das Poti kann die Vorspannung so eingestellt werden, dass sie gerade noch nicht kippt. Die Antenne an der Basis des ersten Transistors empfängt einen HF-Impuls, der das Flipflop triggert. Nun leuchtet die Lampe für eine Sekunde und geht dann wieder aus. Danach braucht die Schaltung ein paar Sekunden, um wieder empfangsbereit zu werden.

Ausprobieren! Tatsächlch, mit dem Lichtschalter lässt sich der Empfänger triggern. Die Empfindlichkeit kann sehr feinfühlig erhöht werden. Aber irgendwann geht die Schaltung allein los. Dann weiß man nicht: War es der Nachbar?

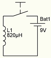
Und nun soll auch noch der zugehörige Sender gebaut werden. Am einfachsten geht es mit einem kleinen Gleichstrommotor. Der stört sowieso immer. Man braucht nur eine Antenne anzuschließen. Es muss kein Dipol sein, ein einzelner Draht geht auch. Die Antennen am Sender und am Empfänger sollen gleich lang sein. Beide waren beim Prototyp 50 cm lang. Die Wellenlänge war also 2 m (Die Funkamateure im 2-Meter-Band mögen mir verzeihen), die Frequenz etwa 150 MHz.
Und nun wollt ihr sicher alle wissen, wie groß die Reichweite war. Stolze vier Meter! Na gut, Marconis Funkensender ging weiter. Aber der hatte bestimmt auch dickere Funken.
In den besten Zeiten der Funkensender überbrückte man tausende von Kilometern auf Langwelle. Die Sender hatten riesige Impulsleistungen von vielen Megawatt. Die kurzen Impulse konzentrierten die Leistung und führten gleichzeitig zu fürchterlich großen Bandbreiten. Praktisch konnte immer nur ein Sender zu einer Zeit arbeiten. Deshalb kam das Verfahren wieder aus der Mode.
Aber mein Transistor-Funkenempfänger darf weiterarbeiten!
Schließlich funkt der Lichtschalter ja sowieso.
Historische Funkensender: www.seefunknetz.de
Funkeninduktor und Fritter (Kohärer): http://www.elektronik-kompendium.de/public/schaerer/fritter.htm
Nachtrag von Markus Bindhammer: Funkenfernsteuerung
Mit großem Interesse habe ich vor einiger Zeit die Beitrage "Uropas Funkensender" und "Hochspannung für Arme" in Ihrer Bastelecke gelesen und kam auf die Idee, beides zu kombinieren. Ein (leeres) Piezo-Feuerzeug ist ein hervorragender Funkeninduktor. Man braucht nur ein Stück Draht als Antenne an die Gasdüse löten - und schon hat man einen batterielosen kleinen Funkensender. Leider war Ihr Empfänger zu unempfindlich. Daher habe ich einen eigenen entwickelt. Er besteht aus einem Schwingkreis, einer Darlington-Stufe und dem Dual Data Flip-Flop CD 4013. Zusätzlich habe ich noch einen CD 4017 hinten dran gehängt. Jetzt kann ich 10 Ausgänge nacheinander ansteuern. Und das brachte mich gleich auf noch eine Idee: Das erste piezofunkengesteuerte Fahrzeug der Welt. Aus zwei modifizierten Servos und einem um 360° schwenkbaren Heckrad sowie etwas Plexiglas war das Ding schnell zusammengebaut. Funktioniert einwandfrei mit nur 3 Ausgängen: STOPP, VORWÄRTS, DREHEN IM STAND. So kann man jeden Punkt in der Ebene ansteuern. Kürzlich hab ich mich damit beim Wissenspreis auf PRO 7 beworben.
Alle Baupläne des Projekts in einem Word-Dokument (bastel7blitz.zip, 304 kB)
Nachtrag von Michael Schwarz (13 Jahre): Eine Mini-Morsestation

Der Sender arbeitet mit einer Spule. Die Spule im Empfänger ist an einen Verstärker angeschlossen. Der Empfänger funktioniert bis ca. 5 m Entfernung. Wenn man den Taster am Sender drückt, knackt es im Lautsprecher des Empfängers.
