EPROM-SpieleHome Labor Röhren HF Logbuch Bastelecke
Letzte Woche hat Leonie irgendwelche alten Geräte zerlegt und mir einen ganzen Beutel ICs geschenkt. Darunter waren auch mehrere EPROMs. Die kann man löschen, neu programmieren und wieder verwenden. Aber kann man auch mit den programmierten EPROMs etwas anfangen, obwohl man nicht mal weiß, welche Daten sie enthalten? Man kann! Z.B. Spielen.

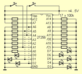
Spiel Nr. 1: Jedes EPROM ist ein riesiges Memory-Spiel. Man verbindet die acht Datenleitungen eines 27256 mit LEDs und alle Adressleitungen, /OE und /CS über Widerstände mit Masse, dazu noch Vpp und Vcc an eine Spannungsquelle von z.B. 4,5 V oder 5 V. Die LEDs zeigen nun acht Datenbits an der Adresse 0000. Verbindet man jetzt A1 mit Vcc, dann sieht man die Daten an 0001 usw. Insgesamt gibt es 32768 Adressen. Einige davon kann man nun auslesen und vielleicht auswendig lernen. Wer schafft es als erster 100 EPROM-Datenbytes zu lernen?

Spiel Nr. 2: Man schleißt zwei oder mehr Schalter an Vcc und irgendwelche Adresseingänge. Dann legt man wahlweise irgendwelche anderen Adresseingänge an Vcc und probiert jeweils, welche Bitmuster man mit den Schaltern wählen kann. Da das EPROM unbekannte, praktisch zufällige Daten enthält, kann man ganz zufällig auf interessante Muster stoßen.
Spiel Nr. 3: Man verbindet einige oder alle Datenausgänge zusätzlich mit Adresseingängen. Was nun passier, kann niemand mehr voraussagen. Das EPROM allein ist jetzt schon fast so etwas wie ein Computer, und zwar ein ganz durchgeknallter. Man kann sich vorstellen, ein bestimmtes Bitmuster liegt an den Datenausgängen und legt die aktuelle Adresse fest. Unter ihr erscheinen aber neue Daten, die wieder eine neue Adresse einstellen usw. Das Ganze kann dazu führen, dass ein endloses Programm abläuft, und zwar mit rasender Geschwindigkeit. Dann sieht man, dass LEDs schwächer leuchten. Wenn beim Basteln zufällig auch das Kurzwellen-Audion an ist, kann man ein lautes Rauschen hören, manchmal auch ein Pfeifen. Es kann aber auch passieren, dass das EPROM auf eine Adresse stößt, die das gleiche Muster hat, wie ihre Daten. Dann bleibt das Programm an dieser Stelle stehen. Es reicht aber, einige Verbindungen zu vertauschen, und schon ist wieder alles anders.
Spiel Nr. 4: Man bedient z.B. eine Adressleitung über einen Taster und zwei oder mehr verbindet man mit Datenausgängen. Nach etwas Probieren kann folgendes Verhalten erreicht werden: Nach einem Tastendruck läuft ein kurzes Programm ab, das nach kurzer Zeit in einem stabilen Zustand endet. Man sieht dann z.B. ein kurzes Blinken, das dann aufhört.
Der Ingenieur zeigt es täglich:
Fast nichts ist unmöglich.
(Dietrich Drahtlos)
Home Labor Röhren HF Logbuch Bastelecke