WiderstandslogikHome Labor Röhren HF Logbuch Bastelecke
Mancher kennt schon Dioden-Logik, Transistor-Logik, TTL und CMOS-Logik. Aber Widerstands-Logik, wie soll das wohl gehen. Hier kommt ein Beispiel: Ein vollständiger 4-aus-2-Dekoder mit nur drei Widerständen. Hat da jemand gesagt, das geht nicht? Geht doch!

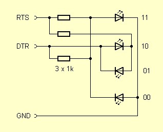
Der Dekoder hängt an der seriellen Schnittstelle und dekodiert die Signale der beiden Leitungen DTR und RTS. Den vier möglichen Zuständen sind vier LEDs zugeordnet. Es leuchtet immer nur eine. Hier ist die Schaltung:

Zum Ausprobieren braucht man etwas Software, z.B. das Programm IOtest. Wie die Schaltung genau funktioniert, möchte ich nicht verraten. Jeder soll es selbst herausfinden.
Die steilste Wand
erklimmt der Verstand.
(Dietrich Drahtlos)
Nur zwei Tipps möchte ich geben: Die Ausgangssignale der Leitungen DTR und RTS sind bipolar mit ca. -10 V und +10 V. Und außerdem handelt es sich genaugenommen um eine Art Widerstands-Dioden-Logik, denn es klappt nur, weil die LEDs Dioden sind.