Akustischer Näherungssensor   

Home   Labor   Röhren   HF   Logbuch   Bastelecke



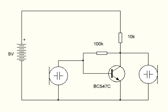
Man kennt das Prinzip von Ultraschallsensoren. Aber es funktioniert auch im hörbaren Bereich mit zwei Piezo-Schallwandlern. Einer arbeitet als Mikrofon, einer als Lautsprecher. Dazwischen liegt ein einfacher Verstärker mit einem einzelnen Transistor in Emitterschaltung. Hält man die beiden Wandler nahe aneinander, kommt es zu einer akustischen Rückkopplung mit einem hörbaren Pfeifen. Die Position muss nun so ausgerichtet werden, dass gerade noch kein Geräusch entsteht. Wenn man dann eine Hand oder einen Gegenstand annähert, kommt es zu einer Reflexion des Schalls und damit wieder zur Rückkopplung. Die Annäherung bewirkt damit einen gut hörbaren Ton.



Manche Piezoscheiben haben drei Anschlüsse. Zwei getrennte Flächen wirken ähnlich wie ein Mikrofon und ein Lautsprecher. Dieselbe Schaltung macht daraus einen aktiven Schallgeber. Diese Scheibe stammt aus einem alten Rauchmelder. Deren große Lautstärke ist ja bekannt. Der Trick ist, dass mit einer Spule die Spannung stark erhöht wird. Der Summer funktioniert aber auch mit einem Transistor und zwei Widerständen. 




Ähnliche Summer aus Kosmos-Baukästen wurden auf dieser Seite schon einmal untersucht: Das Innenleben der Summer in Elektro Plus und Elektrospass

Siehe auch: www.hamik.cz, ein Elektronik-Magazin für Kinder aus Tschechien, Ausgabe 368, wo diese Schaltung vorgestellt wurde. Alle Ausgaben: https://www.hamik.cz/archive/


Phasenverschiebung von Henning Polzer

Eben habe ich Ihre Schaltung nachgebaut und hatte keine Probleme, diese zu der von Ihnen angegebenen Funktion zu bringen, ich konnte bei gleicher Ub=9V sogar den Basiswiderstand auf 274kΩ und den Kollektorwiderstand auf 39kΩ erhöhen, nur die Distanz zwischen den Piezo-Schallwandlern musste dann etwas geringer ausfallen, der Ton war dennoch laut und deutlich. So weit, so gut. Ich frage mich aber, wie ein Transistor in der invertierenden Emitterschaltung die nötige Rückkopplung zu Wege bringt. Dazu fällt mir nur ein, dass die beiden Piezo-Schallwandler, im Schaltzeichen als Kondensatoren angedeutet, eine Phasenverschiebung von 2x90°=180° bewirken könnten, womit die Phasenlage dann in der Summe passen würde. (Das habe ich aber in Anpassung an die vermutlichen Notwendigkeiten mehr geraten.) Vielleicht könnten Sie in dieser Hinsicht weiteres Licht ins Dunkel bringen.

Antwort
Beide Piezoscheibnen sind zugleich Resonatoren. Bei Resonanz und loser Kopplung müsste jede von beiden 90 Grad Phasenverschiebung beisteuern.  Leicht neben der Resonanz wird die Verschiebung etwas anders. Dazu kommt noch eine Verschiebung durch die Laufzeit des Schalls. Bei 2000 Hz  hat man bei 7,5 cm schon 180 Grad. So gibt es wahrscheinlich immer eine Frequenz, bei der die Phase gerade passt. Es müsste einen Unterschied machen, wenn man eine der beiden Piezosscheiben umpolt. Das würde die Phase nochmal um 180 Grad drehen.



Home   Labor   Röhren   HF   Logbuch   Bastelecke