Innenleben einer LED-Energiesparlampe
.
Ich
wollte immer schon mal wissen, wie es in einer modernen LED-Lampe
für Netzbetrieb aussieht, aber diese Teile sind zu teuer um sie
mutwillig zu zerstören. Aber jetzt kam eine verunglückte
2,7-W-Lampe in meine Bastelbude, sodass ich mal nachsehen konnte. Nur eine
kaputte Lampe ist eine interessante Lampe!
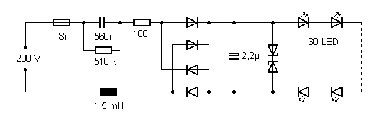
Das
Netzteil besteht im Kern nur aus einem Vierweggleichrichter mit
Siebelko 2,2 µF / 250 V. Insgesamt 60 weiße LEDs liegen in
Reihe. Jede LED braucht zwischen. 3 V und 3,6 V. Zusammen brauchen die
LEDs also 180...216 V. Ein Vierweggleichrichter an 230 V würde den
Elko aber auf ca. 320 V aufladen. Also wo bleibt der Rest? In einem
kapazitiven Vorwiderstand in Form eines Kondensators mit 560 nF, 400V
und dazu 100 Ohm in Reihe.
Der passende Kniff
Umgeht jedes Riff.
(Dietrich Drahtlos)
Diese Schaltung habe ich in vereinfachter Form auch schon mal verwendet (siehe LED-Energiesparlampe).
Der Vorteil ist, dass keine Wärmeverluste auftreten. Und der
kapazitive Blindstrom erfreut den Stromversorger, weil er einen Teil
der sonst überwiegenden induktiven Blindströme kompensiert.
Parallel zum Kondensator liegt ein Entlade-Widerstand von 510 k, damit
man nicht noch nachträglich am Sockel einen Schlag bekommen kann.
Alles zusammen ist ganz vorbildlich mit einer Festinduktivität
von 1,5 mH entstört. Anders als viele Energiesparlampen
ist diese Lampe daher eine Freundin des Funkamateurs. Dazu gibt es
einen Varistor und eine eingelötete Schmelzsicherung, die aussieht
wie eine alte Germaniumdiode.
Fehler durch defekte LED, von Ralf Beesner
Ich habe hier eine Lupenleuchte mit 48 LEDs im Einsatz. Die Beleuchtung fiel
jedoch nach wenigen Wochen aus, und so habe auch ich hineingeschaut und war
ebenfalls überrascht, kein Schaltnetzteil vorzufinden, sondern eine ähnlich
einfache Schaltung wie in Deiner defekten LED-Lampe. Die Schaltung hat
den Nachteil, dass eine einzige defekte LED die gesamte Kette unterbricht. Bei
meiner Leuchte waren die Anschlüsse der einzelnen LEDs gut zugänglich (5-mm-LEDs
auf herkömmlichem Platinenmaterial), so dass ich sie einzeln ausmessen konnte.
Nach Überbrücken der defekten LED leuchten jetzt nur noch 47, aber ihnen
hat der leichte Stromanstieg bisher nicht geschadet.
Defekte 60-LED-Lampe, von Benedikt Otto (15 Jahre)
Wir haben
in unserem Haus auf LED-Technik vom großen, blauen C umgestellt. Die Lampen sind
mit 10€ günstig und haben 60 LEDs. Doch schon nach kurzer Zeit fiel bei der
ersten Lampe die Hälfte aus. Ich durfte die Lampe ausschlachten:
Es sind
jeweils 30 LEDs in Serie geschaltet. Die Schaltung hat sehr viele Ähnlichkeiten
mit der Schaltung Ihrer Lampe, nur dass der kapazitive Vorwiderstand für ca.
100V ausgelegt ist.
12-V-LED-Leuchtmittel, von Rainer R.
Nur
so zum Vergleich: In einer 12-V-Lampe geht es nicht ohne den
elektronischen Spannungswandler. Man erkennt einen Vierweggleichrichter
und ein Schaltregler-IC mit Spule.
Home Labor Röhren HF Logbuch Bastelecke