Einfache Wechselblinker 

Home   Labor   Röhren   HF   Logbuch   Bastelecke




Uwe hat mich gefragt, wie man wohl einen Blinker mit Power-FETs dimensionieren müsste. Und die passenden FETs hat er auch gleich mitgeliefert:  N-Channel Power. MOSFET IRF840, 8A, 500V, 0.850 Ohm. Der Blinker kann mit Glühlampen relativ großer Leistung verwendet werden. Allerdings sollte die Betriebsspannung nicht unter 6 V liegen, weil dann die FETs nicht mehr voll durchsteuern. Der erste Test mit kleinen Glühlampen 4V/1A zeigte das Problem. Die Spannung musste deutlich über 4 V erhöht werden, damit der Blinker funktionierte. Optimal sind 12-V-Lampen bis 5 W.




Die Schaltung ist noch einfacher als mit bipolaren Transistoren, weil man den passenden Arbeitspunkt zum Start der Schwingungen mit hochohmigen Gegenkoppelwiderständen zwischen Gate und Source erreichen kann. Ein weiterer Vorteil ist dabei, dass nur sehr kleine Kondensatoren gebraucht werden.

Nachtrag: Schaltflanken
Heinz D. tat mit einer Schaltungssimulation gefunden, dass die Umschaltflanken bei dieser Schaltung nicht optimal steil verlaufen. Das bedeutet erhöhte Verluste im Umschaltmoment mit der Gefahr, dass die FETs überlastet werden. Dieses Verhalten konnte an den Lampen auch direkt beobachtet werden. Fazit: Man muss vorsichtig sein, wenn Lampen mit mehr als 3 W eingesetzt werden. Falls die Transistoren unter gegebenen Bedingungen heiß werden, ist ein Dauerbetrieb nicht ratsam.

Wechselblinker mit Glimmlampen




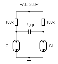
Es geht aber noch einfacher! Diesmal mit hoher Spannung und sehr wenig Strom. Statt der Glühlampen werden diesmal Glimmlampen eingesetzt, und diese schalten sich selbst! Diese erstaunliche Schaltung habe ich ein einem alten DDR-Bastelbuch gefunden, das mir Uwe geschickt hat: Das große Elektronik-Bastelbuch von Hagen Jakubaschk, Deutscher Militärverlag 1964.



Die Schaltung funktioniert, weil die Brennspannung einer Glimmlampe tiefer liegt als ihre Zündspannung. Immer wenn eine der Glimmlampen zündet, wird die Spannung an der anderen Lampe schlagartig kleiner, sodass ihre Glimmentladung verlöscht. Die Lampen löschen sich auf diese Weise immer wieder gegenseitig. Gut, dass ich die passenden Glimmlampen noch in der Bastelkiste gefunden habe!

Alte Dinge, gut aufgehoben,
Bringen den Erfinder oft nach oben.

(Dietrich Drahtlos)




Wo bekommt man aber die hohe Spannung her? Hier hat es sich bewährt, dass ich 9-V-Batterien immer erst endgültig entsorge, wenn ihre Leerlaufspannung deutlich unter 7 V liegt. Wegen der vielen Rauchmelder kommt da schon so einiges zusammen. Alle vorhandenen alten Batterien zusammen hatten noch mehr als 70 V. Das reichte für diesen Versuch. Aber Achtung, man muss sehr vorsichtig sein, denn auch mit Batterien kann man gefährliche Spannungen erreichen.

Der DIAC-Wechselblinker   von Henning Polzer



Ich habe die Schaltung mit zwei Glimmlampen nachgebaut und mit Erfolg an meinem eigens zu diesem Zwecke gebauten Spannungsvervielfacher (8 VAC -> 73 VDC) getestet. Dann habe ich überlegt, dass man die Schaltung ja auch mit DIACs bauen können müsste, als Anzeigeelemente wollte ich dann LEDs mit ausreichendem Vorwiderstand verwenden. Und tatsächlich, es funktioniert! Vorsicht mit der hohen Betriebsspannung! Alles über 60 V kann gefährlich werden.



Zusatzexperiment: Wenn man den zweiten DIAC unten rechts auf dem Schaltplan ersatzlos streicht und die rechte Kombination aus 1k-Widerstand und LED direkt mit dem Minuspol verbindet, blinken die LEDs auch, allerdings mit höherer Frequenz, der Kondensator wird nun schnell über den Widerstand und die LED entladen. Man benötigt nun eine höhere Kapazität, deshalb habe ich einen Folienkondensator mir 16µ verwendet.


Wechselblinker mit Darlington-Transistoren  von Henning Polzer



R Basis jeweils 10 MΩ,
R Kollektor jeweils 1 KΩ,
T1/2: BC 517,
C1/2: 560 nF (Folie, der zweite Kondensator auf der Rückseite),
D1/2 im Emitterzweig: DUS (1N4148),
Ub = 9V.

Ich habe nun einen AMV aufgebaut, der sich vom herkömmlichen Aufbau durch die Verwendung von Darlingtontransistoren (BC517) unterscheidet, dabei kommen bei mir überdies hochohmige Basiswiderstände (~4,7..10 MΩ) und Kondensatoren (~100..680 nF) zum Einsatz, um zwei LEDs wechselweise blinken zu lassen. Zum Schutz der B-E-Strecken habe ich in die Emitterzweige jeweils noch Dioden des Typs 1N4148 eingebaut. Diese Schaltung ist zwar nur für kleine Leistungen vorgesehen, wie sie eben für gewöhnliche LEDs üblich sind, die Vorteile von Kerkos oder Folientypen kommen hier ebenfalls zum Tragen, denn voluminöse und temperatur- bzw. austrocknungsempfindliche Elkos benötigt die Schaltung nicht.





Home   Labor   Röhren   HF   Logbuch   Bastelecke