Das Minimal-Dipmeter 
Ich hatte mal ein Dip-Meter, das lag für den Gerätebau im Bereich Amateurfunk immer
in Reichweite. Inzwischen ist zwar das Oszilloskop immer an, aber das
Dipmeter hat an Bedeutung verloren. Meist fehlt es im Labor. Eigentlich
schade, denn manches geht damit viel einfacher. Also muss wieder ein
Dipmeter her. Ein ganz einfaches reicht schon. Was braucht ein
ordentliches Gerät?
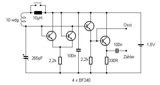
Ein Zeigerinstrument zur Anzeige des Dips: Braucht man nicht, das Oszilloskop kann diese Aufgabe übernehmen.
Eine große Frequenz-Skala: Braucht man nicht, dafür kann ein Frequenzzähler angeschlossen werden.
Wechselbare Spulen: Braucht man auch nicht, die Bereichsumschaltung kann mit einem Jumper gemacht werden.

Die spannende Frage war,
ob die Kopplung noch ausreicht, wenn nur ein Teil des Schwingkreises
durch die Sensorspule gebildet wird. Dazu habe ich einen Probeaufbau
mit verschiedenen Festinduktivitäten getestet. Bis 10 µH
geht es gut. Und diverse Testobjekte mussten die Tauglichkeit nachweisen. Auch ein Quarz kann getestet werden, wenn man eine kleine Koppelwicklung anlötet.

