
Mein
Bruder hat mal wieder modernen Edelschrott angeschleppt: Zwei
Minisprechfunkgeräte aus dem Ramschladen. Sie haben nur einen Euro gekostet,
weil die Verpackung fehlte. Da musste ich gleich mal reinschauen. Erstaunlich!
Die Technik solcher Geräte hat sich seit über 30 Jahren kaum geändert. Auch
damals schon waren zwei oder drei Transistoren, ein Trafo und ein Quarz
drin. Die einige sichtbare Neuerung ist das Elektret-Mikrofon. Offensichtlich
handelt es sich um einen Pendelempfänger auf 27 MHz, wobei die HF-Stufe beim
Senden als modulierter Quarzoszillator arbeitet. Ich finde das so genial
einfach, dass ich hier einmal die Schaltung analysieren möchte.


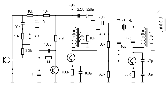
Das
Gerät verzichtet auf einen Lautstärkeregler. Stattdessen hat der Hauptshalter
eine weitere Stufe für höhere Lautstärke. Die Platine ist so klein wie möglich
gehalten. Es gibt zwei Spulen mit Schraubkernen für Frequenz und
Antennenanpassung.

Der PTT-Umschalter (Push
to Talk) besitzt insgesamt vier Umschaltkontakte, die kunstvoll die
gesamte Schaltung in zwei Zustände bringen. Im Interesse einer
besseren Lesbarkeit habe ich zwei Schaltungen gezeichnet, eine für
Empfang und eine für Senden. In Empfangsrichtung arbeite die
relativ breitbandige HF-Stufe ohne Quarz. Der Quarzpendler
würde in dieser Anwendung nicht funktionieren, weil er für
üblichen Modulationsfrequenzen zu schalbandig ist. Diesen Teil der
Schaltung lohnt es sich einmal nachzubauen (Siehe auch: Pendlaudion für Kurzwelle). Die Pendelfrequenz beträgt ca. 60 kHz. Interessant ist auch der
etwas antiquierte NF-Verstärker in Klasse A mit
Übertrager. Der 10-Ohm-Widersatnd am Ausgang ist sichtbar
nachgerüstet (Beim Trafo mit durchgeschoben), vermutlich um die
Stabilität beim Senden zu verbessern.
Der Empfänger (Schaltbild korrigiert von Harald Schetter)
Signal am Kolletor des HF-Transistors
Beim Senden wird der Oszillator
völlig anders geschaltet und arbeitet nun als Quarzoszillator. Die
Betriebsspannung wird über den NF-Verstärker moduliert. Damit
ist eine relativ hohe Ausgangsleistung gesichert, wenn man bedenkt,
dass der Oszillator ohne HF-Endstufe arbeitet. Ein Vorteil ist dabei,
dass die Antennenanpassung beim Senden udn Empfangen gleich bleibt.
Sender
Sendesignal, unmoduliert
Das Ziel muss sein:
Billig, einfach und klein.
(Ing. Dietrich Drahtlos)
Nachtrag von Harald Schetter:
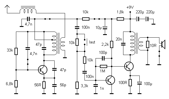
Ich hatte mir die Mühe gemacht, die Schaltung
an Hand der Fotos zu rekonstruieren, herausgekommen ist die angehängte
Gesamtschaltung. Nur die Bauteilwerte im mittleren Teil der Schaltung und den
Kondensator am Trafo habe ich geraten. Und der Widerstand oberhalb des Mikrofons
sieht auf den Bildern einer Diode zum Verwechseln ähnlich. Interessant finde ich
auch den Bestückungsaufdruck der abwechselnd die Bauteilform oder das
Schaltsymbol zeigt.
Ich hätte nicht vermutet, daß diese Technik nochmal zum
Einsatz kommt, 1972 habe ich die angehängte Germanium-Schaltung
aus einer japanischen Seifendose rausgezeichnet, ohne Quarz! Die
Reichweite lag nach sorgfältigem Nachstimmen bei 500m, empfangen
konnte ich es mit meinem Echophone EC1 bei 15MHz, auf 27MHz war
nichts zu vernehmen. An Hand der Spulendaten kann ich heute etwa 32 MHz
ermitteln, vielleicht war das Ding im Lieferzustand auch auf 27MHz
abgestimmt ;-)
An dieser Uralt-Schaltung sind zwei Punkte bemerkenswert, nämlich die
Gleichstromkopplung des NF-Verstärkers mit sauberer Arbeitspunktstabilisierung
über alles und die Ankopplung des Lautsprecher-Mikrofons am Emitter des
Eingangstransistors. Mit dieser Schaltung wird wirkungsvoll die hässliche
Eigenresonanz des Mikrofons gedämpft, ein Trick, der leider nur wenigen
der späteren Handquetschen zu einer brauchbaren Modulation verholfen hat. Der
Widerstand dürfte etwa 10 Ohm haben, es stand wirklich nichts drauf, auch nicht
auf den Trimmern.