Der Quarz-PendlerHome Labor Röhren HF Logbuch Bastelecke

Das Pendelaudion ist ein besonders einfacher und effektiver Empfänger. Üblicherweise arbeitet die Schaltung mit einem Schwingkreis. Experimente haben aber gezeigt, dass das Prinzip auch mit einem Quarz abwendbar ist. Diese kleine Schaltung ist ein kompletter Sender und Empfänger zum Anschluss an einen Mikrocontroller.


Gegenüber einem konventionellen Pendelaudion mit Schwingkreis hat die Schaltung Vorteile und Nachteile. Ein Nachteil kann sein, dass wegen des langsamen Anschwingens nur eine geringe Pendelfrequenz möglich ist. Deshalb lassen sich nur langsame Daten übertragen. Der Vorteil ist die geringe Bandbreite und damit die sehr gute Trennschärfe und Empfindlichkeit des Empfängers.

Als Taktgenerator kann man einen NE555 oder einen kleinen
Mikrocontroller verwenden. Mit dem Mikrocontroller ist es einfacher, genau
definierte Taktlängen zu erzeugen. Das folgende Mini-Programm in Bascom erzeugt
ein 250-Hz-Signal mit einer Impulslänge von 2 ms. Der Oszillator wird 2 ms lang
gestoppt und hat 2 ms Zeit zum Anschwingen.
'Pendelaudion
PB3
$regfile =
"attiny13.dat"
$crystal =
1200000
Portb.3 = 0
Do
Ddrb.3 = 1
Waitms 2
Ddrb.3 = 0
Waitms 4
End


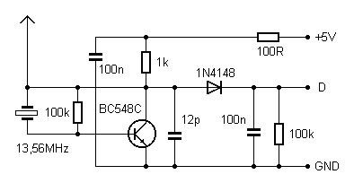
Wenn nun in der Nähe des Empfängers ein zweiter Oszillator auf der gleichen Frequenz arbeitet, empfängt die Schaltung über ihre Antenne ein schwaches Signal, das den Oszillator beim Anschwingen unterstützt. Je stärker das Empfangssignal, desto schneller baut sich die Schwingung auf. Ein Mikrocontroller kann nun diese Zeit messen und hätte damit ein Maß für die Antennenspannung.

Am Ausgang D des Gleichrichters erscheint das Signal als ansteigende Gleichspannung. Sie kann wahlweise direkt über ein Messgerät angezeigt werden oder von einem Mikrocontroller ausgewertet werden.
Nachtrag: Harald Schetter, DH5SAZ hat den Eintrag zum Pendelaudion (Superregenerativempfänger) in Wikepedia überarbeitet und einen Link auf diese Seite eingefügt.
Alan, VK2ZAY aus down-under Australien hat den Quarz-Pendler aufgegriffen und weiterentwickelt. Sogar einen seriellen Sender und Empfänger mit dem Tiny13 hat er entwickelt und stellt dazu ein C-Programm vor: MCU Controlled Super-regeneration with Quartz Oscillators
Siehe auch Alan´s Youtube-Filme:
http://www.youtube.com/user/vk2zay#p/u/31/ED-iWIACh_s
http://www.youtube.com/user/vk2zay#p/u/32/Le0L6TYtf_c
http://www.youtube.com/user/vk2zay#p/u/30/ESJzi9dpzpQ