Audio-Vorverstärker | Diskreter Operationsverstärker
|
Komplementärer Differenzverstärker |
Complimentary Long Tailed Pair | Complimentary Difference Amplifier
Vorverstärker mit diskretem OpAmp und komplementärer Differenz-Eingangsstufe
von Michael Gaedtke
Letzte Änderungen vom 16. Mai 2010
Bei einer Internet-Versteigerung ist es mir gelungen, an ein aufwendig gebautes Lautstärkepoti auf der Basis eines Drehschalters mit 24 Raststellungen zu kommen. So etwas hatte ich schon seit längerem gesucht, zu akzeptablen Preisen aber nicht gefunden. Das Teil wurde aus Hongkong geliefert und war schon nach wenigen Tagen in Deutschland eingetroffen. Natürlich verlangt ein solches Edelpoti nach einer entsprechenden Anwendung und es reifte der Plan, einen irgendwie puristischen Vorverstärker damit zu realisieren.
Nun kann man gute bis exzellente Vorverstärker aus einer reichen Auswahl integrierter Operationsverstärker aufbauen und heute damit nahezu jedes Maß an Verzerrungsarmut erzielen, das man sich vorstellen kann. Wenn einem der Sinn andererseits eher nach dem nostalgischen Glimmen von Röhren steht, dann finden sich auch hier beste Möglichkeiten. Irgendwie wollte ich diesmal jedoch etwas alternatives und ungewöhnliches bauen und begann, nach diskreten Operationsverstärker-Schaltungen zu fahnden. Diskret bedeutet hier, dass der OpAmp aus Einzeltransistoren, Widerständen und Kondensatoren aufgebaut ist.
Im Prinzip kommt jeder diskrete Operationsverstärker auch für eine Anwendung im Vorverstärker in Frage. Die passende Verstärkung in einer Größenordnung von rund 20 dB wird über die Gegenkopplungsbeschaltung eingestellt, die Auswahl der Komponenten sorgt für die gewünschte Rauscharmut und die Schaltungskonfiguration garantiert Verzerrungsarmut. Bei Bedarf kann über eine frequenzabhängige Rückkopplung auch eine Klangbeeinflussung realisiert werden. Im Prinzip ist solch ein diskreter OpAmp aufgebaut wie ein integrierter (historisch war die Entwicklung natürlich umgekehrt: erst gab es diskrete, dann hybride, schließlich vollintegrierte OpAmps) und auch nicht viel anders als die meisten heutigen Endstufen: eine Differenz-Eingangsstufe wird von einer Spannungsverstärkerstufe gefolgt, die eine Ausgangsstufe treibt, die wiederum die benötigte Leistung zur Verfügung stellt – im Fall eines Vorverstärkers ist das natürlich sehr wenig. Das Prinzip bleibt aber gleich.
Aufgabe der Differenz-Eingangsstufe ist es, das Eingangssignal und das Gegenkopplungssignal aus der Rückkoppelschleife so zusammen zu führen, dass ein Differenzsignal übrig bleibt, das Verzerrungen im Verstärker gerade aufhebt. Hier soll nun nicht weiter auf die prinzipielle Funktionsweise gegengekoppelter Verstärker eingegangen werden – dazu gibt es anderswo sehr ausführliche Literatur. Was wir brauchen, ist eine Eingangsstufe, an der wir die beiden Signalpfade zusammen führen können und die nur die Differenz beider Eingänge verstärkt. Im Prinzip kann man das mit jedem Transistor (oder jeder Triode) in Emitterschaltung verwirklichen, denn eine solche Stufe kann an der Basis (invertierender Eingang) und am Emitter (nicht-invertierender Eingang) angesteuert werden. Über viele Jahre ist dieses Prinzip Standard auch bei hochwertigen Audioschaltungen gewesen.
Heute wird als Eingangsstufe fast immer ein Differenzverstärker mit zwei Transistoren eingesetzt, deren Emitter miteinander gekoppelt sind. Die beiden Basis-Anschlüsse bilden die zwei Eingänge – die anders als bei der Emitterschaltung gleiche Eingangsimpedanzen aufweisen. Der Stromfluss durch die beiden Transistoren wird durch einen Widerstand oder – heute meistens und wie im Schaltbild unten gezeigt – durch eine Konstantstromquelle eingestellt. Dieser Ruhestrom entscheidet zum Beispiel über das Rauschverhalten der Stufe und auch darüber, wie viel Ausgangsstrom zur Ansteuerung der folgenden Verstärkerstufe zur Verfügung steht. Ein solcher Differenzverstärker wird immer mit zwei gleichgepolten Transistoren (NPN oder PNP) aufgebaut. Im angloamerikanischen Sprachraum spricht man von einem long-tailed pair – einem Paar mit langem (gemeinsamen) Schwanz.

Gut, solche Eingangsstufen habe ich schon häufig genug aufgebaut, so dass hier das richtige Abenteuer auch nicht lockt. Da stieß ich durch Zufall in einer Hochspannungs-Netzteilschaltung für Röhrenverstärker auf eine Differenzverstärker-Variante, die mir völlig neu war und die im Unterschied zur herkömmlichen Differenz-Stufe mit zwei unterschiedlich gepolten Transistoren, je einem NPN- und PNP-Typ, aufgebaut ist. Man kann daher von einem komplementären Differenzverstärker sprechen (Jan Didden: T-reg: A High-Voltage Regulator for Tube Amps, in: AudioXpress, 4/2009, S. 24-29, vgl. insbesondere Fig. 2).
In dieser Schaltung wird die Differenzstufe dazu benötigt, um die Ausgangsspannung mit einer vorgebenen (und einstellbaren) Referenzspannung zu vergleichen. Daraus leitet der Spannungskonstanter ein Korrektursignal ab. Da lag es natürlich nahe zu recherchieren, ob diese Variante schon einmal für Audiozwecke eingesetzt worden ist? Um es kurz zu machen: ich bin fündig geworden, sie ist! Der Audio-Entwickler Richard Torrens berichtet auf seiner 4QD-TEC-Homepage über einen kleinen Endverstärker, den er 1977 für einen Vermarkter von Surplus-Elektronik-Ausverkaufsware entworfen hatte. Der Verstärker arbeitete ausschließlich mit etwas dubiosen Transistoren, die die Endkontrolle der Hersteller nicht erfolgreich bestanden hatten und erzielte gleichwohl einen Gesamtklirrfaktor von nur rund 0,02 Prozent THD bei 30 Watt Leistung – keine Selbstverständlichkeit in den 70er Jahren, als alles unter 0,1 Prozent als exzellent durchging. Das klang doch durchaus vielversprechend. Meine Neugier auf ein eigenes Experiment mit der Schaltung war jedenfalls geweckt.
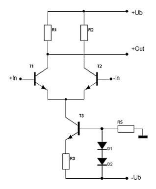
Richard Torrens hat die Grundschaltung genutzt, um damit einen rudimentären diskreten OpAmp aufzubauen. Diese Schaltung ist in der folgenden Abbildung zu sehen:

Darin bilden – auch wenn man es nicht gleich erkennt – die Transistoren T1 und T2 einen Differenzverstärker mit zwei komplementären Transistoren. Im Unterschied zum herkömmlichen long tailed pair fließt der Arbeitsstrom auch nicht aus dem gemeinsamen Emitter-Anschluss ab, sondern durch die gesamte Kollektor-Emitter-Emitter-Kollektor-Strecke. Soweit ich feststellen konnte, ist Richard Torrens bislang der einzige geblieben, der dieses Prinzip im Audiobereich genutzt hat.
Wie man unschwer erkennt, bilden T4, die Dioden D1 und D2 und der Widerstand R1 eine Konstantstromquelle. Der Strom durch T4 definiert zugleich den Kollektorstrom von T3. Da dieser Strom konstant ist, stellt sich auch an der Basis von T3 eine konstante Spannung ein und auch der Strom durch R3 und damit durch die komplementäre Differenz-Eingangsstufe wird konstant gehalten. Dieser Strom ist zugleich der Betriebsstrom der Referenz-Dioden für die Stromquelle. Der Ring der vier Transistoren T1 bis T4 sorgt damit selbst für seinen Ruhestromabgleich.
Die Anordnung hat allerdings einen Nachteil: In einem konventionellen Differenzverstärker heben sich die Basis-Emitter-Spannungen der beiden Transistoren gegenseitig auf, so dass damit echte Gleichspannungsverstärker aufgebaut werden können, deren Ausgang im gegengekoppelten Zustand ziemlich präzise bei null Volt – oder bei der halben Betriebsspannung – liegt. Wie leicht zu erkennen ist, addieren sich statt dessen beim komplementären Differenzverstärker die Basis-Emitter-Spannungen der Eingangstransistoren, so dass rund 1,2 Volt zwischen den beiden Eingängen liegen, was zu einer entsprechenden Abweichung des Ruhepunktes der Ausgangsspannung führt.
Diese Fehlspannung muss mit der Vorspannungseinstellung von T1 kompensiert werden, damit der Ausgang das richtige Ruhepotential annimmt. Die Vorspannung wird über die Widerstandskette R4-R5 erzeugt. Für einen präzisen Abgleich könnte man hier auch ein Poti einfügen, was aber nur lohnt, wenn die Versorgungsspannungen stabilisiert sind. In der Beispielschaltung habe ich den Fußpunkt von R5 nicht unmittelbar an die negative Betriebsspannung geführt, sondern stattdessen an die Anode von D1 (in der praktischen Schaltung werden D1 und D2 durch eine grüne Leuchtdiode ersetzt). Das Potential dieses Punktes liegt um rund 1,8 Volt positiver als die negative Betriebsspannung, so dass sich eine gewisse Kompensation der beiden Basis-Emitter-Strecken ergibt.
Ein Vorteil der komplementären Anordnung besteht darin, dass der Ruhestrom der Differenz-Eingangsstufe nicht durch eine Stromquelle begrenzt wird. Wegen dieser Limitierung kann die herkömmliche Eingangsstufe bei bestimmten impulsförmigen Eingangssignalen mitunter nicht den erforderlichen Strom liefern, um die internen Kapazitäten am Ausgang schnell genug umladen zu können. In diesem Fall kommt es zu einer Begrenzung der Anstiegsgeschwindigkeit (slew-rate limiting) und damit zu transienten Verzerrungen.

Für die Kleinsignal-Transistoren im Eingang habe ich bei der Versuchsschaltung die Allerweltstypen BC546 / BC556 genommen. Hier wäre eine Optimierung zum Beispiel beim Rauschverhalten durchaus denkbar. Wenn andere Transistoren in die Platine eingesetzt werden, muss natürlich auf die Anordnung der Anschlüsse geachtet werden.
Für meine Vorverstärker-Anwendung habe ich den Vier-Transistor-Ring noch um eine Ausgangsstufe ergänzt, um das Signal niederohmig auskoppeln zu können. Dazu wird eine komplementär-symmetrische Stufe mit den Transistoren T5 (BD139) und T6 (BD140) eingesetzt. Damit diese Stufe in Class-A-Einstellung arbeitet, wird eine Vorspannung benötigt, die über die beiden Dioden D1 und D2 und den Widerstand R11 eingestellt wird – ein höherer Widerstand sorgt für einen höheren Ruhestrom durch T5 und T6, den man gut als Spannungsabfall über den beiden Emitterwiderständen R17 und R18 messen kann.
Der Verstärkungsfaktor des Vorverstärkers wird durch das Gegenkopplungsnetzwerk am unteren Rand des Schaltbildes aus R13, R9 und C8 eingestellt.

Der Kondensator C8 sorgt für einen hohe Gegenkopplung bei Frequenzen unterhalb von
![]()
und damit für ein sehr stabiles DC-Verhalten. Bei den heute üblichen Signalquellen kommt man mit einem Verstärkungsfaktor von 10 oder +20dB in den meisten Fällen aus, um Endstufen voll aussteuern können. Wenn mehr – oder weniger – gebraucht wird, kann man das Gegenkopplungsnetzwerk einfach umdimensionieren:
![]()
Am Eingang der Schaltung sorgt der Folienkondensator C2 für die Signalkopplung und blockt einen eventuell vorhandenen Gleichspannungsanteil im Eingangssignal ab. Mit dem Wert von 2,2 µF stellt sich an dem Eingangswiderstand R5 von 100 kOhm eine untere Grenzfrequenz von weniger als einem Hertz ein. Wegen der Parallelschaltung von R1 liegt der Gesamteingangswiderstand bei rund 50 kOhm – im praktischen Betrieb kommt natürlich noch der Parallelwiderstand des Lautstärkepotis hinzu. R2 und C2 bilden ein einfaches Tiefpassfilter und begrenzen gemeinsam mit dem Ausgangswiderstand der Signalquelle den Signalbereich nach oben bei rund 250 kHz.
Am Ausgang wird das Signal über C11 ausgekoppelt. Mit dem gewählten Wert von 100 µF ergibt sich bei einem typischen Lastwiderstand von 10 kOhm eine Grenzfrequenz von rund 0,2 Hz. In der Versuchsschaltung habe ich dafür einen Elko eingesetzt; ein Verzerrungsproblem war dabei auch bei den hochauflösenden Messungen nicht zu erkennen. Wer in der Verwendung eines Elkos ein Problem sieht, kann natürlich an dieser Stelle auch einen - ausreichend dimensionierten – Folientyp einsetzen, der wegen seiner Größe dann aber wahrscheinlich oberhalb der Platine untergebracht werden muss. Der Ausgang wird mit dem Serienwiderstand R20 gegen Überlastung geschützt. Gemeinsam mit C12 bildet es einen weiteren Tiefpaß bei 220 kHz. R21 sorgt für eine kontrollierte Entladung des Koppelkondensators wenn keine Last angeschlossen ist.

Bei gegengekoppelten Verstärkern kommt es immer auf eine gute Stabilität an. Dafür sorgen in der Versuchsschaltung zwei Kondensatoren: C7 sorgt für eine sogenannte Phase-Lead-Kompensation, indem das Ausgangssignal bei sehr hohen Frequenzen direkt auf den Eingang von T2 gekoppelt wird. C6 ist ein Miller-Kondensator zwischen Basis und Kollektor von T3 und sorgt zusätzlich für einen dominanten Pol (John N. Ellis: Audio Power Amplifier Frequency Compensation: Is PLIL an Alternative to the Miller Capacitor?, in: Electronics World, March 2003, S. 10-17). Insgesamt ergibt sind mit dieser doppelten Kompensation eine sehr gute Rechteckwiedergabe ohne Nachschwingen.
Auf dem Layout der Testplatine sind diese zusätzlichen Bauteile eingeplant. An Stelle der Diodenkette D1-D2 wird eine grüne LED eingesetzt, die ein gutes Rauschverhalten aufweist. Die Leuchtdiode sorgt für eine Vorspannung von rund 1,8 Volt. Damit erhält man von der Stromquelle einen Ruhestrom von
![]()
Mit einem höheren Wert von R12 kann bei Bedarf ein niedrigerer Ruhestrom durch T3 und T4 eingestellt werden.

Was kann man von der einfachen Schaltung erwarten? Sicherlich nicht die Verzerrungsarmut, die mit den neuesten Super-OpAmps erreicht werden kann. Aber die Ergebnisse können sich – wie das oben abgebildete Spektrogramm zeigt - durchaus sehen lassen. Die THD-Gesamtverzerrungen liegen mit 0,004 Prozent nur unwesentlich über den Klirrprodukten des Testgenerators (gemessen wurde mit einer 24-Bit-Soundkarte bei einer Samplerate von 48.000 Hz). Das Signal war auf -6 dB(FS) unter Vollaussteuerung der Karte (ca. 1 Volt) und 1000 Hz eingestellt. Dabei überwiegt mit 0,0031 Prozent der „gutmütige“ Klirr 2. Ordnung; der disharmonische Klirr 3. Ordnung erreicht nur 0,0021 Prozent, alle höheren Klirrprodukte sind noch geringer. Das kann sich sehen lassen!

Das Netzteil ist ebenfalls auf einer Platine untergebracht und stellt zwei symmetrische Spannungen von ±10 Volt zur Verfügung. Die Schaltung ist mit den einstellbaren Standard-Spannungsregler-ICs LM317 und LM337 aufgebaut. Auf einen Transformator und sein magnetisches Streufeld wollte ich im Vorverstärkergehäuse verzichten, deshalb ist der Trafo ausgelagert. Ich habe ein 12V-AC-Stecker-Netzteil zum Betrieb von Halogenlampen für das Netzteil zweckentfremdet. Das ist eine preisgünstige und einfache Lösung – deshalb lässt sich der kleine Nachteil, dass man nach der Regelung eine Gesamtspannung von nur rund 20 Volt zur Verfügung hat, leicht verschmerzen. Für die benötigten Vorverstärker-Ausgangsspannungen reicht es allemal aus. Durch die doppelte Gleichrichtung werden die erforderlichen Plus-Minus-Spannungen gewonnen und dann geglättet. Achtung: Die Schaltung braucht unbedingt einen Wechselspannungs-Steckernetzteil (AC-Trafo); mit einem Gleichspannungs-Netzteil (DC) funktioniert sie nicht!
Noch ein Hinweis: Auch wenn bei der Verwendung eines 12-Volt-Steckerrnetzteils keine unmittelbare Gefahr durch die Netzspannung besteht, empfiehlt sich hier wie bei allen Basteleien stete Aufmerksamkeit und Vorsicht: auch an einem heißen Lötkolben kann man sich verbrennen und mit vergessenen 12 Volt das Haus anzünden. Ansonsten: Viel Erfolg!
Download dieses Textes als PDF-Datei
(c) Michael Gaedtke, Im Püllenkamp 2, D-41462 Neuss, Germany – michael@gaedtke.name
Übernommen mit freundlicher Genehmigung des Autors von : http://gaedtke.name/
Zurück zum Elektronik-Logbuch