SI4735-Antennenumschalter und Ferritantenne

 

Der SI4735 kann selbständig zwischen AM und FM umschalten, nicht jedoch zwischen MW und KW. Bisher habe ich die meisten Versuche daher entweder auf Kurzwelle oder auf Mittelwelle durchgeführt. Aber jetzt soll per Software ungeschaltet werden. Auf MW arbeitet das Gerät (PC-Radio SI4735 Set mit USB) mit einer Ferritantenne, auf Kurzwelle wahlweise mit der Ferritantenne oder mit einer externen Drahtantenne an der Kurzwellenspule.

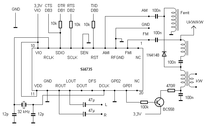
Zur Umschaltung wird hier eine Schaltdiode verwendet, die eine Kurzwellenspule zur Ferritstabspule parallel schaltet. Das Schaltsignal kommt vom Port GP01 des Radiochips , der über ein Software-Kommado umgeschaltet werden kann. Das Signal wird mit einem PNP-Transistor invertiert. Die direkte Nutzung zur Steuerung des Diodenstroms war nicht möglich, weil GP01 beim Reset ein High-Signal lesen muss um das I2C-Interface zu aktivieren. Das Signal wird intern erzeugt und darf von außen nicht niederohmig unterdrückt werden. Mit dem angeschlossenen PNP-Transistor liegt der Ruhezustand beim High-Pegel an GP01, es gibt also kein Problem mit der Initialisierung. 



Versuche haben gezeigt, dass die Ferritantenne auf Mittelwelle die saubersten Ergebnisse liefert. Wenn man zusätzlich eine Stabantenne anschließt, steigt zwar die Signalamplitude, aber der Störabstand sinkt dramatisch, weil im Haus der elektrische Störnebel z.B. von Leuchtstoffröhren und Bildschirmen dann stärker durchkommt. Die Diode trennt ohne Schaltstrom die KW-Spule und eine angeschlossene Stabantenne zuverlässig ab, während sie mit dem Schaltstrom von ca. 5 mA für das HF-Signal nur noch einen Widerstand von wenigen Ohm darstellt und die KW-Spule an den AM-Eingang legt.





Bei den Tests kam ein überraschendes Ergebnis zutage: Auch auf Kurzwelle liefert die Ferritantenne gute Ergebnisse! In einigen Fällen ist zwar die Signalamplitude kleiner als mit der Drahtantenne, aber der Störabstand gleich oder besser. Man kann zwei Fälle vergleichen: Erstens mit der MW-Spule allein und zweitens mit der parallel geschalteten KW-Spule, wobei die Resonanz auch bei hohen Frequenzen besser abgestimmt wird, die MW-Spule parallel den Kurzwellenkreis anregt.

Das Bild zeigt den Empfang des AM-Senders DLF auf 549 kHz allein mit der Ferritantenne mit 56 dBuV und SNR 25 dB. Legt am testweise eine zusätzliche Stabantenne an den Schwingkreis, treten starke Störungen auf.




Ebenfalls nur mit der Ferritantenne (Stellung MW) wird DW im 49-m-Band auf 6075 kHz  mit 50 dBuV und ebenfalls SNR 25 dB empfangen  Der Kreis ist mit der kleinsten eingestellten Kapazität (7 pF)  nicht in Resonanz, aber die hochohmige MW-Spule liefert genügend HF-Spannung.

Schaltet man nun ohne externe Antenne in Stellung KW um, dann liegen beide Spulen parallel. Die automatische Abstimmung zeigt ca. 90 pF, der Kreis ist also in Resonanz. Die Signalspannung steigt auf ca. 60 dBuV, der Störabstand bleibt bei 25 dB.  Bis jetzt wird immer noch über die Ferritantenne empfangen, die offensichtlich im 49-m-Band ebensogut arbeitet wie auf Mittelwelle.

Mit einer zusätzlichen Drahtantenne von 1m Länge steigt der Signalpegel bei 6075 kHz auf 80 dBuV, der Störabstand verbessert sich jedoch nicht weiter. Allgemein fällt auf, dass der SI4735 mit kleiner HF-Amplitude wegen seinen rauscharmen Vorverstärkers sehr gute Ergebnisse liefert. Es kommt hauptsächlich auf den tatsächlichen Störabstand an der Antenne an. Das zeigen auch Versuche im 31-m-Band. Die Ferritantenne liefert zwar eine geringere Signalspannung aber etwa gleichen Störabstand. Sogar bei 15 MHz liefert die Ferritantenne noch gute Ergebnisse.

Sub GPIO_CTL(Port)
i2cStart
i2cOut 34
i2cOut &H80
i2cOut Port
i2cStop
End Sub

Sub GPIO_SET(Port)
i2cStart
i2cOut 34
i2cOut &H81
i2cOut Port
i2cStop
End Sub

Private Sub Command20_Click()
GPIO_CTL 2
GPIO_SET 0
End Sub

Private Sub Command21_Click()
GPIO_SET 2
End Sub
Download:  SI4735Test4_32kHz.zip  (VB-Quelltext und EXE)

Das Programm wurde mit einer geringen Erweiterung aus dem Projekt VB/SI4735Test3_32kHz.gebaut, das man in ELEXS findet.