
Elektronik-Experimentiersystem
selbst gebaut
Home
Labor
Bastelecke
Elektronik-Experimente
9 Dioden und Sperrschichten
Dioden sind Halbleiter-Bauelemente, die den Strom nur in
einer Richtung leiten. Das gilt für LEDs genauso wie für Silizium-Dioden und
Transistoren. Die Untersuchung der internen Dioden in einem Transistor dient
zur einfachen Funktionskontrolle und zeigt besondere Einsatzmöglichkeiten des
Transistors.
9.1
Die BE-Diode in Durchlassrichtung
Eine Diode besteht aus zwei Halbleiter-Schichten mit N-leitendem
und P-leitendem Material. Im N-Leiter bewegen sich freie Elektronen, im
P-Leiter dagegen Defektelektronen (Elektronen-Löcher). An der Berührungsfläche
zwischen beiden Schichten bildet sich eine nichtleitende Sperrschicht geringer
Dicke. Freie Elektronen füllen in diesem Bereich Löcher, sodass keine freien
Ladungsträger mehr vorhanden sind. Die Diode ist damit zunächst ein
Nichtleiter.
Abb. 9.1: Aufbau und Funktion einer Diode
Legt man an die äußeren Kontakte der Si-Diode eine kleine
Spannung, dann vergrößert oder verkleinert sich die Sperrschicht. Zunächst soll
der N-Anschluss mit dem Minuspol und der P-Anschluss mit dem Pluspol verbunden
werden. Die Ladungen an den Anschlüssen stoßen dann ihre jeweiligen Ladungsträger
im Kristall ab, sodass sie in Richtung der Sperrschicht gedrückt werden. Ab
einer Spannung von ca. 0,5 V beginnen sich in einer Siliziumdiode die N- und
die P-Schicht zu berühren, die Sperrschicht hebt sich auf. Damit fließt nun
auch ein Strom. Bei ca. 0,7 V ist eine gute Leitfähigkeit erreicht. Die Diode
wird nun in Durchlassrichtung betrieben.
Polt man die Spannung um, tritt der gegenteilige Effekt auf:
Ladungsträger werden zu den äußeren Anschlüssen hingezogen, sodass sich die
Sperrschicht vergrößert. Die isolierende Wirkung der Sperrschicht wird also
besser. Man kann die Diode als ein elektrisches Ventil auffassen, da sie den
Strom nur in einer Richtung passieren lässt. Das gilt in gleicher Weise für
eine Leuchtdiode. Das andere Hableitermaterial in der LED führt zu einer
höheren Durchlassspannung als bei einer Si-Diode. Beim Rekombinieren von
Elektronen und Löchern wird Licht abgegeben.
Der innere Aufbau eines Si-Transistors ist durch drei
Schichten aus N- und P- Silizium gekennzeichnet. An den Grenzflächen bilden
sich Sperrschichten wie in einer Diode. In einem Transistor befinden sich
praktisch zwei Dioden, die man auch als solche verwenden kann. Das ermöglicht
besondere Schaltungsvarianten und auch einen einfachen Transistortest.
Abb. 9.2: Sperrschichten und Grundfunktion des Transistors
Die Verstärkung eines Transistors tritt auf, wenn eine genügend
große Basisspannung angelegt wird. Die untere Sperrschicht wird dann leitend,
sodass N-Ladungsträger (Elektronen) in die Basiszone gelangen. Sie werden aber
von der positiv geladenen Kollektorschicht angezogen, sodass die meisten
Elektronen zum Kollektor abfließen und nur ein kleiner Teil zur Basis.
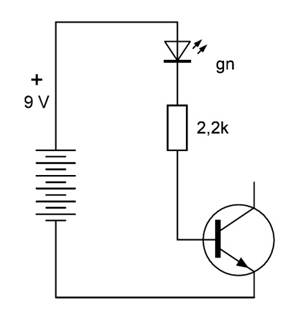
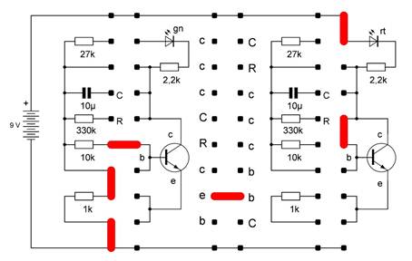
Die internen Dioden eines Transistors lassen sich mit einfachen
Prüfschaltungen mit LED und Vorwiderstand ausmessen. Die LED zeigt an, wann
Strom fließt. Im ersten Versuch wird die BE-Diode des rechten Transistors in
Durchlassrichtung betrieben. Der Kollektor bleibt frei.

Abb. 9.3: Test der BE-Diode

Abb. 9.4: Die BE-Diode des rechten Transistors leitet
Messung
Eine Spannungsmessung zwischen den jeweils verwendeten beiden Anschlüssen des
Transistors zeigt etwa bei 0,6 V bis 0,7 V, wenn die entsprechende Diode gerade
leitet. Die „Durchlassspannung“ ist also wesentlich kleiner als bei einer LED.
Die Spannung hängt vom verwendeten Halbleiter ab. Bei Silizium findet man für
kleinere Ströme etwa 0,6 V. In einem großen Bereich unterschiedlicher Ströme
ändert sich die Spannung nur zwischen etwa 0, 5 V und 0, 7 V.
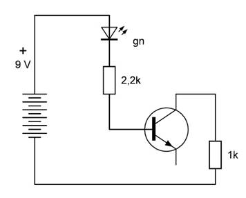
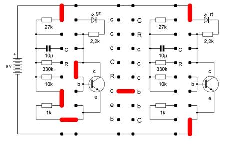
Die interne BC-Diode eines NPN-Transistors leitet, wenn man
den Kollektor an Minus legt. Das kommt im normalen Betrieb nicht vor, kann aber
in besonderen Situationen in einer Schaltung auftreten. Um die Verbindung nach
Minus nur mit Jumpern zu erreichen, muss ein Widerstand von 1 kΩ in Reihe
geschaltet werden. Die BC-Diode leitet genauso gut wie die BE-Diode.

Abb. 9.5: Test der BC-Diode

Abb. 9.6: Die BC-Diode leitet
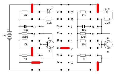
Im normalen Betrieb eines NPN-Transistors liegt eine
positive Spannung am Kollektor. Die BC-Diode sperrt. Der Versuch kann mit dem
linken Transistor leicht aufgebaut werden, wenn man den Emitter frei lässt. Wie
erwartet fließt kein Strom, die LED bleibt aus.

Abb. 9.7: Die BC-Diode in Sperrrichtung

Abb. 9.8: Die LED bleibt aus
Messungen
Eine Messung des Spannungsabfalls am 10-kΩ-Widerstand zeigt Null. Damit
ist klar, dass tatsächlich kein Strom fließt. Eine Messung an der LED zeigt
ebenfalls 0 V. Misst man allerding die Spannung zwischen Basis und Kollektor
wird nur etwa 8 V gemessen, obwohl die Batteriespannung 9 V beträgt. Die Summe
aller Spannungen ist scheinbar kleiner als die Batteriespannung, was aber ein
Widerspruch zu den Gesetzen des Stromkreises wäre.
Der Widerspruch klärt sich auf, wenn man bedenkt, dass auch
das Messgerät einen Innenwiderstand hat. Ein typisches Digitalmultimeter hat in
allen Spannungsbereichen einen Innenwiderstand von 10 MΩ. Bei einer
Messung der Batteriespannung fließt also ein Strom von 0,9 µA. Und wenn man die
CB-Spannung misst, fließt ein kleiner Strom über die LED und verursacht einen Spannungsabfall.
Obwohl der Messstrom sehr klein ist, beträgt die LED-Spannung bereits 1 V oder
mehr. Die Messung selbst verändert also in diesem Fall die Messergebnisse. Das
ist fast immer der Fall, in den meisten Fällen ist der Unterschied jedoch
vernachlässigbar klein.
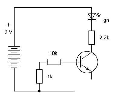
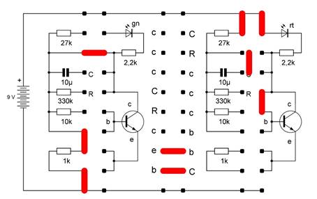
Wenn der Emitter eines NPN-Transistors an eine positivere
Spannung als die Basis gelegt wird, sperrt die BE-Diode. Allerdings gilt das
nur bis zu einer gewissen Spannung. Im Datenblatt des Transistors wird eine maximale
Sperrspannung von 5 V angegeben. Bei einer höheren Spannung im Bereich 7 V bis 9
V beginnt plötzlich ein Strom zu fließen. Die BE-Diode verhält sich dann wie
eine Zenerdiode. Die typische Durchbruchspannung liegt bei 8 V. es gibt jedoch
erhebliche Streuungen, sodass man nicht mit Sicherheit vorhersagen kann, ob die
LED gerade noch schwach leuchtet oder nicht.
Jede Diode hat eine Durchbruchspannung, bei der sich die
Sperrschicht nicht weiter ausdehnen kann der Sperrstrom stark ansteigt. Der
Aufbau des Transistors bildet zwar zwei PN-Übergänge, hat aber eine Unsymmetrie
mit einer besonders dünnen Emitterschicht. Die Größe der Sperrzone ist daher
begrenzt und damit auch die Sperrspannung.

Abb. 9.9: Die BE-Diode in Sperrrichtung

Abb. 9.10: Anzeige eines Sperrstroms
Messungen
Falls die LED schon deutlich leuchtet, kann man die Zenerspannung mit dem
Multimeter direkt zwischen B und E messen. Falls die LED noch aus ist, lässt
sich besser der Spannungsabfall an der LED messen. Findet man hier 1 V und
misst die Batteriespannung mit 9 V, kann man die Durchbruchspannung mit 8 V
berechnen. Die Zenerspannung ist großen Streuungen unterworfen und kann bei
einigen Transistoren bis zu 9 V betragen. Das Ergebnis ist daher nicht
vorhersagbar.
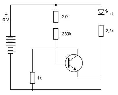
Wenn eine 9-V-Batterie nur noch 7 V hat, ist sie bereits
fast völlig erschöpft. Aber eine einfache LED-Schaltung zeigt noch keinen
großen Unterschied. Bei dieser Schaltung ist das anders. Die rote LED ist bei
einer ganz neuen Batterie noch hell, aber bei 7 V schon ganz aus.
Die Schaltung verwendet die gerade gefundene besondere
Eigenschaft eines Transistors. Die BE-Diode verhält sich in Durchlassrichtung
wie eine normale Si-Diode und wie die BC-Diode des Transistors. Aber in
Durchlassrichtung sperrt sie nur bis zu einer Spannung im Bereich 7 V bis 9 V.
Dann beginnt sie zu leiten, wobei der Strom mit steigender Spannung steil
ansteigt. Das ist das Verhalten einer Zenerdiode. Hier führt es dazu, dass die
LED-Helligkeit sich in einem engen Bereich der Batteriespannung von ganz aus
bis deutlich an verändert.

Abb. 9.11: Eine Spannungsüberwachung

Abb. 9.12: Anzeige des Batteriezustands
Bei dieser Schaltung ist die BC-Strecke des Transistors
kurzgeschlossen. Deshalb wirkt im invertierten Betrieb nur noch die BE-Diode in
Sperrrichtung.
Messung
Mit dem Voltmeter kann man die Z-Spannung direkt zwischen B und E messen.
Typische Spannungen liegen bei 7,5 V, aber es kann auch erhebliche Abweichungen
geben. Wegen der großen Streuungen kann man nicht vorhersagen, welche
Batteriespannung noch als gut angezeigt wird. Man kann versuchsweise eine oder
zwei 1,5-V-Zellen in Reihe zur Batterie schalten um eine höhere Spannung zu
testen.
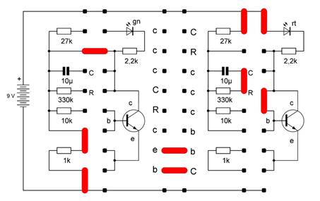
Mit einer kleinen Änderung der Schaltung arbeitet nicht nur
die Zenerdiode, sondern auch der Transistor in invertierter Richtung mit dem
Minuspol am Kollektor. Der invertierte Transistor hat nur noch eine geringe
Stromverstärkung von ungefähr 5-fach. Zur Zenerspannung kommt nun noch eine
Diodenspannung in Durchlassrichtung. Gleichzeitig wird allerdings die Durchbruchspannung
etwas kleiner, weil weniger Strom fließt. Beide Effekte können sich gerade
aufheben. Im Normalfall wird sich jedoch eine geringe Verschiebung der
Anzeigeschwelle ergeben.

Abb. 9.13: Aufbau mit einem invertierten Transistor

Abb. 9.14: Der veränderte Batterietester
Der symmetrische Aufbau führt zu der Vermutung, dass der
Transistor auch falsch herum, also mit vertauschtem Emitter und Kollektor funktioniert.
Aus den bisherigen Versuchen ist schon bekannt, dass das nur bis zu einer
gewissen Spannung funktionieren kann.
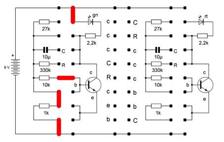
Der Versuch verwendet den linken Transistor zusammen mit der
roten LED. Wenn man den Basisstrom über den 27-kΩ-Widerstand einschaltet,
leuchtet die LED. Öffnet man die Verbindung über den rechten Kondensator, nimmt
der Strom allmählich ab. Das Verhalten ähnelt also einem normal betriebenen
Transistor. Allerdings geht die LED schneller aus als in einer vergleichbaren Schaltung
mit einem richtig herum betriebenen Transistor. Das ist ein erster Hinweis
darauf, dass der invertierte Transistor eine deutlich geringere
Stromverstärkung hat.
Normalerweise vermeidet man es, einen Transistor mit
falscher Polung zu betreiben. Dass es aber prinzipiell funktioniert zeigt schon
der innere Aufbau eines Transistors. Und die Versuche können bei der
Fehlersuche in Schaltungen nützlich werden. Wenn nämlich eine Schaltung
schlechter funktioniert als gewünscht, kann ein falsch eingebauter Transistor
nicht ausgeschlossen werden.

Abb. 9.15: Emitter und Kollektor vertauscht

Abb. 9.16: Der linke Transistor bei umgekehrter Polung
Messen
CB-Spannung: 0,64 V
CE-Restspannung: 1,1 V
Spannungsabfall am Basiswiderstand 27 kΩ: 6,3 V
Basisstrom: 0,23 mA
Spannungsabfall am Kollektorwiderstand 1 kΩ: 2,0 V
Kollektorstrom: 2 mA
Stromverstärkung: 2 mA / 0,23 mA = 8,7-fach
Noch deutlicher wird die geringere Stromverstärkung wenn man
einen großen Basiswiderstand einsetzt. Die LED leuchtet dann deutlich schwächer
als bei einem vergleichbaren Versuch mit korrekter Polung, der Transistor
befindet sich noch nicht in der Sättigung.

Abb. 9.17: Mehr Basiswiderstand

Abb. 9.18: Ein Versuch mit weniger Kollektorstrom
Messung
CB-Spannung: 0,57 V
CE-Restspannung: 6,6 V
Spannungsabfall am Basiswiderstand 330 kΩ: 8,3 V
Basisstrom: 0,025 mA
Spannungsabfall am Kollektorwiderstand 1 kΩ: 0,3 V
Kollektorstrom: 0,3 mA
Stromverstärkung: 0,3 mA / 0,025 mA = 12-fach
Home Labor
Bastelecke
Elektronik-Experimente