
Home Labor Bastelecke Elektronik-Experimente
Ein Transistor kann als Verstärker oder Steuerelement für die unterschiedlichsten Aufgaben eingesetzt werden. Je nach Anwendung soll ein größerer oder kleinerer Kollektorstrom fließen. Die genaue Stromstärke bezeichnet man auch als den Arbeitspunkt einer Schaltung. Es gibt viele Einflüsse auf den Arbeitspunkt. Und es gibt unterschiedlichen Methoden, einen stabilen Strom einzustellen.
Während Widerstände mit Toleranzen von nicht mehr als 5% gefertigt werden, muss man beim Stromverstärkungsfaktor eines Transistors mit wesentlich größeren Abweichungen rechnen. Ein BC547C kann einen Verstärkungsfaktor im Bereich 420 bis 800 haben. Da ist es eine Herausforderung, Schaltungen zu entwickeln, die trotzdem in jedem Fall gleich gut funktionieren. Eine der einfachsten und oft schon ausreichenden Maßnahmen ist die Gegenkopplung vom Kollektor auf die Basis.
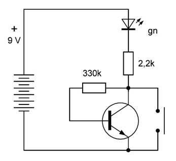
Wenn man den Basiswiderstand nicht nach Plus verbindet sondern zum Kollektor, stellt sich ein mittlerer Kollektorstrom ein. Wäre nämlich der Transistor immer noch voll durchgesteuert, würde er sich selbst den Basisstrom abschalten. Ein größerer Kollektorstrom bewirkt einen größeren Spannungsabfall am Arbeitswiderstand und damit eine kleinere Spannung am Basiswiderstand. Dieses Prinzip nennt man Gegenkopplung. Es führt automatisch zu einem mittleren Kollektorstrom. Das kann man daran erkennen, dass die LED bei einer externen Verbindung zwischen Kollektor und Emitter deutlich heller wird.

Abb. 6.1: Basiswiderstand am Kollektor

Abb. 6.2: Mittlere Helligkeit
Messungen
Der Transistor ist in dieser Schaltung weder ganz ausgesteuert noch ganz
gesperrt. Deshalb ist es nun möglich die Stromverstärkung zu bestimmen.
Ube = 0,64 V
Uce = 2,07 V
Urc = 4,63 V
Ic = Urc / RC = 4,63 V / 2,2 kΩ = 2,10 mA
Urb = Uce – Ube = 2,07 V – 0,64 V = 1,43 V
Ib = Urb / Rb = 1,43 V / 330 kΩ = 4,33 µA
V = Ic / Ib = 2100 µA / 4,33 µA = 485
Der Transistor hatte also eine 485-fache Stromverstärkung. Laut Datenblatt beträgt der Stromverstärkungsfaktor des BC547C bei einem Kollektorstrom von 2 mA zwischen 420 und 800. Das Messergebnis liegt mit 485 im erwarteten Bereich. Eine eigene Messung könnte etwas andere Ergebnisse bringen. Wer es ganz genau wissen will, wiederholt den Versuch mit dem anderen Transistor auf der Platine. Beide Transistoren sind zwar von der gleichen Bauart, müssen aber nicht die gleiche Verstärkung haben. Größere Abweichungen sind durchaus üblich.
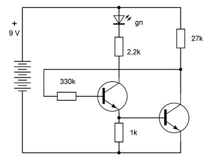
Die vorige Schaltung hatte bereits einen mittleren Arbeitspunkt, der aber immer noch von der Stromverstärkung des Transistors abhängig war. Bei einer solchen Schaltung muss man immer mit Abweichungen rechnen und beachten, wie weit das für die Aufgabe relevant ist.
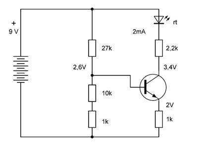
Diese Schaltung ist fast völlig unabhängig von den Daten des Transistors und wird im Bereich der Stromverstärkung von 100 bis 800 gleich gut arbeiten. Dafür sorgt eine Gegenkopplung, die auf dem Spannungsabfall am Emitterwiderstand beruht. Die Spannung an der Basis wird durch einen Spannungsteiler festgelegt. Die Emitterspannung stellt sich dann von selbst so ein, dass eine Basis-Emitter-Spannung von etwa 0,6 V herrscht. In diesem Fall kann man eine Basis-Spannung von 2,6 V berechnen. Daraus ergibt sich eine Emitterspannung von 2 V und ein Kollektorstrom von 2 mA.

Abb. 6.3: Emitter-Gegenkopplung
Die Spannungen sind im Schaltbild an einzelnen Messpunkten eingetragen. Gemeint ist jeweils die Spannung gegen Masse, also gegen den gemeinsamen Minuspol.
Abb. 6.4: Konstanter Kollektorstrom 2 mA
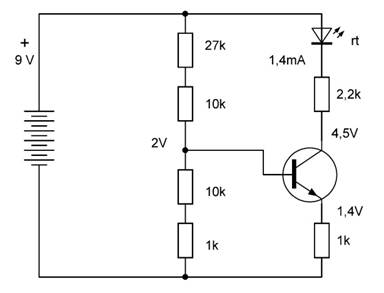
Für viele Aufgaben ist ein mittlerer Arbeitspunkt wichtig, sodass man den Strom in beide Richtungen gleich weit aussteuern kann. Dafür ist es erforderlich, den Strom gegenüber der letzten Schaltung noch etwas zu reduzieren. In diesem Fall ist das möglich, indem ein weiterer Widerstand in den Spannungsteiler eingesetzt wird. Die Basisspannung beträgt nun nur noch 2 V, und der Arbeitspunkt wird auf 1,4 mA stabilisiert. Dabei findet man eine Kollektorspannung in Bereich von 4,5 V, also gerade bei der halben Betriebsspannung.

Abb. 6.5: Verringerte Basisspannung

Abb. 6.6: Ein Kollektorstrom von 1,4 mA
Messungen
Alle im Schaltbild angegebenen Spannungen lassen sich leicht überprüfen. Dabei
wird man immer gewisse Abweichungen finden. Mit entscheidend ist die genaue
Batteriespannung und sogar die Temperatur, weil die Basis-Emitterspannung sich
bei gleichem Strom um etwa -2 mV pro Grad ändert.
Möglichst viele Messungen sind nützlich, um ein Gefühl für die Schaltungen zu bekommen. Oft muss man entscheiden, welche Abweichungen vom erwarteten Ergebnis noch im normalen Bereich liegen. Mit genügend Übung erkennt man schnell, ob eine Schaltung wie gewünscht funktioniert oder ob ein Fehler vorliegt.
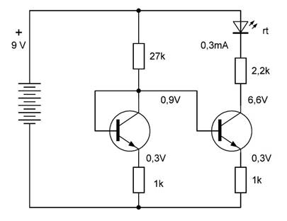
Ein weiterer Transistor im Spannungsteiler kompensiert den Temperatureinfluss. Unter der Voraussetzung, dass beide Transistoren die gleiche Temperatur haben, hebt sich der Einfluss weitgehend auf. Bei höheren Temperaturen würde die Basisspannung absinken, die Emitterspannung aber fast unverändert bleiben.
Während der Temperatureinfluss ohnehin recht gering ist, hat sich der Arbeitspunkt jetzt insgesamt auf 0,3 mA verschoben. Und er ist weiterhin stark von der Batteriespannung abhängig.

Abb. 6.7: Temperaturstabiler Arbeitspunkt

Abb. 6.8: LED-Strom 0,3 mA
Dank an Andreas Thaler, der diese Schaltung mit EveryCircuit simuliert hat.

Normalerweise hängt der Strom in einer Schaltung auch vom momentanen Zustand der Batterie ab. Wenn die Spannung absinkt, wird auch der Strom kleiner. Bei der folgenden Schaltung ist das anders. Der Strom wird automatisch nachgeregelt, sodass er in weiten Bereichen der Batteriespannung konstant bleibt. Ein zu großer Strom erhöht den Spannungsabfall am Emitterwiderstand, sodass der rechte Transistor stärker leitet. Dadurch steigt auch der Spannungsabfall an seinem Kollektorwiderstand, sodass die Kollektorspannung sinkt. Und deshalb bekommt der linke Transistor weniger Basisstrom und verringert auch den Kollektor- und Emitterstrom.
Im Endeffekt stellt sich ein Strom ein, bei dem der Spannungsabfall am Emitterwiderstand gerade etwa 0,6 V beträgt. Weil die Basisströme sehr viel kleiner sind als die Kollektorströme, kann man sie in der Überlegung vernachlässigen. Der Kollektorstrom und damit der LED-Strom beträgt also 0,6 mA. Wie man leicht erkennt, bestimmt der Emitterwiderstand den eingestellten Strom, denn bei 0,6 V zwischen Basis und Emitter beginnt der rechte Transistor gerade zu leiten.
Die Schaltung ist wieder in gewissem Maße von der Temperatur abhängig. Konkret würde eine Temperaturerhöhung des rechten Transistors um 50 Grad den Strom von 0,6 mA auf 0,5 mA verringern. Eine genaue Messung könnte das zeigen. Die Helligkeit der LED würde sich allerdings nicht merklich ändern.

Abb. 6.9: Stabilisierung des Kollektorstroms

Abb. 6.10: Stromquelle mit 0,6 mA
Home Labor Bastelecke Elektronik-Experimente