
Home Labor Bastelecke Elektronik-Experimente
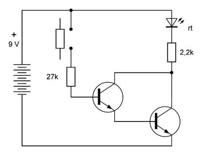
Zwei Transistoren verstärken mehr als einer. Das gilt besonders für die Darlington-Schaltung, bei der der schon verstärkte Strom von einem zweiten Transistor noch einmal verstärkt wird. Der Name stammt von ihrem Erfinder Sidney Darlington, der schon 1952 auf diese Idee kam. Beide Kollektoren sind verbunden, und der Emitter des ersten Transistors führt zur Basis des zweiten. Die Darlington-Schaltung verhält sich wie ein einzelner Transistor mit riesiger Verstärkung.
Nun reicht schon der allerkleinste Basisstrom, um eine LED einzuschalten. Die offenen Kontakte können mit dem Finger berührt werden wie in Abb. 4.5. Es genügt schon eine ganz leichte Berührung für die volle Helligkeit. Der Hautwiderstand ist stark von der Hautfeuchtigkeit abhängig. Aber diesmal funktioniert es sogar mit einer gerade gründlich gewaschenen und sorgfältig abgetrockneten Hand.

Abb. 5.1: Die Darlington-Schaltung

Abb. 5.2: Einschalten durch Berührung
Messung
Wie groß ist eigentlich die Basis-Emitterspannung eines Darlington-Transistors?
Man kann vermuten, dass es ungefähr 1,2 V bis 1,4 V sind, weil zwei Basis-Emitter-Strecken
in Reihe geschaltet sind. Für die Messung kann man den Basiswiderstand mit
einem Jumper nach Plus verbinden. Das Voltmeter zeigt es dann: tatsächlich
ungefähr 1,3 V.
Wenn man mit Schuhen auf einem Teppich oder auf einem Kunststoffboden herumschlurft, kann man sich leicht mal so weit elektrisch aufladen, dass die Entladung an einer Türklinke richtig weh tut. Der Körper erreicht dabei Spannungen von einigen tausend Volt. Jeder kennt auch Versuche, bei denen ein Kamm oder ein Lineal an einem Tuch gerieben wird und sich dabei elektrisch auflädt. Dabei entstehen elektrische Kräfte, mit denen man Papierschnipsel bewegen kann. Elektrische Aufladungen gibt es immer und überall, aber meist bemerkt man sie nicht, weil sie zu klein sein. Mit zwei Transistoren kann man sie aber leicht nachweisen.
Der Versuch verwendet wieder eine Darlingtonschaltung, mit der sich kleineste Ströme verstärken lassen. Der Eingang ist aber nirgendwo angeschlossen. Wenn nun eine elektrische Kraft auf einen Draht oder die Kupferbahn der Platine wirkt, werden Elektronen angezogen oder abgestoßen. Elektrische Kräfte verschieben also elektrische Ladungen. Dadurch entsteht ein winziger Strom, der durch die Darlington-Schaltung verstärkt und mit der LED angezeigt wird.
Zum Test kann man nun einfach eine Hand annähern und wieder zurückziehen. Wenn die LED beim Annähern aufleuchtet, war der eigene Körper positiv aufgeladen. Wenn sie beim Zurückziehen der Hand aufleuchtet, war man negativ geladen. Man kann aber auch die ganze Platine in die Hand nehmen und umhergehen. Oft wird dann die LED bei jedem Schritt einmal aufleuchten.
Auch elektrische Wechselfelder in der Nähe von Netzkabeln können nachgewiesen werden. Bei einem starken Wechselfeld leuchtet die LED scheinbar dauerhaft. Aber wenn man genauer hinsieht, erkennt man ein schnelles Flacken. Die LED geht 50-mal in der Sekunde an und aus. Die Empfindlichkeit der Schaltung kann sehr einfach erhöht werden, indem man den Minuspol berührt.
Die Ähnlichkeit mit dem Berührungssensor aus dem vorigen Versuch fällt jedem gleich auf. Und tatsächlich kann man die LED auch durch Berühren von zwei Kontakten einschalten. Man muss auch gar nicht so genau treffen. Es reicht, wenn man von oben auf die Kontakte auf der Plus-Seite fasst.

Abb. 5.3: Ein offener Eingang

Abb. 5.4: Anzeige elektrischer Felder
Eine LED leitet den Strom in Durchlassrichtung und sperrt ihn in Gegenrichtung. Aber wenn Licht von außen auf den LED-Kristall fällt, fließt auch in Sperrrichtung ein kleiner Strom. Er ist allerdings sehr viel kleiner als ein Mikroampere und wird meist überhaupt nicht bemerkt. Mit einer Darlingtonschaltung hat man jedoch so viel Verstärkung, dass der verstärkte Strom eine LED deutlich zum Leuchten bringt. Je heller es ist, desto heller leuchtet auch die rote LED.

Abb. 5.5: Der Sensorverstärker

Abb. 5.6: Sensor-LED in Sperrrichtung
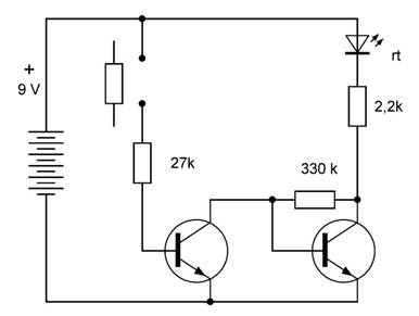
Mit einer Berührung konnte bisher schon eine LED eingeschaltet werden. Aber es geht auch anders herum. Nun soll die LED im Ruhezustand an sein, aber ausgehen, wenn man die Kontakte berührt. Die Aufgabe erinnert etwas an die Alarmanlage. Dort war die Lösung, die Basisspannung kurzzuschließen. Und diesmal ist es genauso, mit einem kleinen Unterscheid. Der Kurzschluss wird nicht durch einen Draht oder eine Steckbrücke erreicht, sondern durch den linken Transistor. Wenn er leitet, schaltet der den rechten Transistor ab.
Im Ruhezustand leuchtet die rote LED. Und bei einer Berührung wird sie abgeschaltet. Aber nicht vollständig, denn eine sehr kleine Resthelligkeit bleibt erhalten. Das liegt an dem 330-kΩ-Basiswiderstand, der zum Kollektor führt. Durch ihn fließt weiterhin ein kleiner Strom, auch dann wenn kein Basisstrom mehr vorhanden ist.

Abb. 5.7: Kollektor-Basis-Kopplung

Abb. 5.8: Der Berührungsschalter
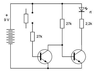
Eine andere Version dieser Schaltung legt den Basiswiderstand nicht an den Kollektor sondern an Plus. Diesmal wird der 27-kΩ-Widerstand verwendet. Auch durch ihn fließt im Aus-Zustand ein Strom, aber er fließt eben nicht durch die LED. Deshalb geht die LED diesmal vollständig aus. Aber weil der Strom durch den neuen Basiswiderstand wesentlich größer ist, braucht man auch einen größeren Sensorstrom am Eingang des ersten Transistors. Die Berührung muss also etwas niederohmiger ausfallen. Es kann sogar nötig sein, den Finger für den Versuch leicht anzufeuchten, damit die rote LED wirklich ausgeht.

Abb. 5.9: Die abgewandelte Schaltung

Abb. 5.10: Abschaltung ohne Reststrom
Home Labor Bastelecke Elektronik-Experimente