
Elektronik-Experimentiersystem
selbst gebaut
Home
Labor
Bastelecke
Elektronik-Experimente
12 Spannende Versuche - Energie ernten
Energie
ernten ist ein ganz modernes Thema. Wie kann man kleine Mengen Energie
aus Licht, Schall, Schwingungen oder Temperaturunterschieden gewinnen?
Manche Geräte brauchen ja nur sehr wenig Energie, das wäre es
praktisch, wenn man gang ohne eine Batterie auskommen könnte.
Einige
Versuche in diesem Lernpaket haben ja schon eine LED als Fotodiode
verwendet. Und jede Fotodiode ist zugleich auch eine Fotozelle, die eine elektrische
Spannung erzeugt, wenn sie von Licht beschienen wird. Allerdings ist eine LED
nur eine sehr schwache Fotozelle, die extrem wenig Strom liefern kann.
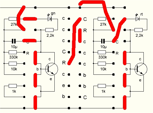
12.1 Grüne LED als Solarzelle
Wenn man
direkt an eiern LED die Spannung misst, findet man meist null Volt. Das
Messgerät braucht nämlich schon mehr Strom als die LED liefern kann. Aber mit
einem Trick geht es doch. Man muss die für die Messung nötige Energie in einem
Kondensator speichern. Nach einigen Minuten im vollen Sonnenlicht kann die
Spannung gemessen werden. Das Messgerät zeigt für einen kurzen Moment 1,5 V
oder sogar etwas mehr. Bei einer längeren Messung bricht die Spannung
allerdings schnell zusammen. Das ist genau wie im Kapitel 4.1, wo die Entladung
genauer untersucht wurde.
Aber immerhin, der Beweis ist erbracht: Eine LED wandelt Licht in elektrische Energie um und kann einen Kondensator aufladen.
Für
den Versuch braucht man nur zwei Jumper. Es wird keine Batterie
angeschlossen. Man legt die Platine für einige Minuten in helles
Sonnenlicht. Dann kann gemessen werden. Wer genau hinsieht,
erkennt noch einen zweiten Widerstand mit 27 kΩ in der Schaltung.
Mitr einem kabel könnte man ihn umgehen, aber er stört nicht. Es
fleißt nur so wenige Strom, dass dieser Widerstand überpaupt nicht
stört.
Wenn man
versucht, die Energie ohne das Messgerät nachzuweisen, kommt man vielleicht auf
die rote LED als Anzeige. Könnte die Ladespannung gerade ausreichen um einen
schwachen Lichtblitz zu erzeugen? Ich habe es versucht, aber es hat nicht
funktioniert. Aber mit einem Kopfhörer kann man die Ladung nachweisen. Beim
Anschluss an den Kondensator entsteht ein gut hörbares Knack-Geräusch. Der
Kopfhörer kann schon sehr kleine Spannungen nachweisen. Damit funktioniert der
Versuch auch schon bei schwachem Licht. Achtung, der Kopfhörer darf nie direkt
an eine Batterie gehalten werden! Er könnte bei zu großer Spannung kaputt
gehen, und außerdem muss man Gehörschäden befürchten.
Wen jetzt richtig die Freude am Experimentieren erfasst hat, der kann ja mal testen, wie es mit der roten LED funktioniert.
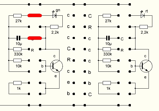
12.2 Spannungsverdopplung
Die
von einer LED erzeugte Spannung reicht nicht aus, um sie mit einer LED
anzuzeigen. Aber mit einem Trick geht es doch! Man kann nämlich die
Spannung für einen kurzen Moment verdoppeln, wenn ein zweiter
Kondensator zum Einsatz kommt. Für lange Zeit liegen beide
Kondensatoren parallel. Die LED muss dann zwar mehr Ladung liefern,
aber nach einer ausreichend langen Zeit wird die volle Spannung
von 1,5 V erreicht.
Dann
schaltet man beide Kondensatoren in Reihe. So wird die Spannung
verdoppelt. Satt nur 1,5 V hat man jetzt 3 V. Und das
sollte reichen, um eine LED leuchten zu lassen.
Für den
Versuch ist es wichtig, dass man möglichst wenig umbauen muss. Denn damit
steigt die Gefahr, dass die Kondensatoren versehentlich entladen werden. Mit
der folgenden Schaltung muss nur eine einzige Verbindung geschlossen werden, um
die Reihenschaltung aufzubauen. Solange der Schalter geöffnet ist, liegen beide
Kondensatoren über hochohmige Widerstände parallel. Der Schalter legt dann den
unteren Anschluss des rechten Kondensators an den oberen Anschluss des linken
Kondensators. So werden die Kondensatoren in Reihe geschaltet. Zwar liegen
dann auch die Widerstände parallel zu den Kondensatoren und sorgen für eine
Entladung. Aber der größere Strom fließt durch die rote LED. So entsteht ein
gut sichtbarer Lichtblitz.
Die Schaltung ähnelt übrigens dem Marx-Generator, mit dem man extrem hohe Spannungen erzeugt.

Versuche haben gezeigt, dass man nicht einmal volles
Sonnenlicht braucht. Nach einigen Stunden bei normaler Zimmerbeleuchtung sind
die Kondensatoren ebenfalls schon ausreichend geladen, um einen deutlichen
Lichtblitz zu erzeugen.

Home Labor
Bastelecke
Elektronik-Experimente