
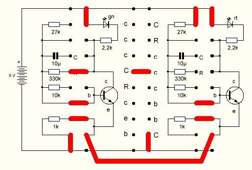
Home Labor Bastelecke Elektronik-Experimente

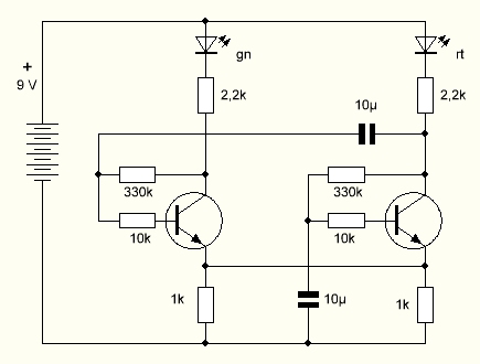
Die linke Stufe arbeitet als Emitterfolger und hat keine Spannungsverstärkung, aber eine große Stromverstärkung. Der rechte Transistor arbeitet in Basisschaltung, deshalb ist die Basis mit einem Kondensator an Masse gelegt. Der Signaleingang liegt am Emitter. Diese Schaltung hat keine Stromverstärkung, aber eine große Spannungsverstärkung. Beiden Stufen gemeinsam ist, dass sie die Signalphase nicht drehen, anders als die Emitterschaltung, bei der die Phase um 180 Grad gedreht wird.
Also: Links
hat man eine Stromverstärkung, rechts eine Spannungsverstärkung, zusammen ohne
Phasendrehung. Deshalb reicht eine einfache Rückkopplung über einen
Koppelkondensator, und schon entstehen Schwingungen. Zum Aufbau wird eine
Kabelbrücke benötigt.

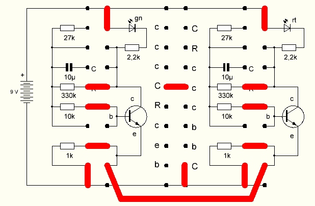
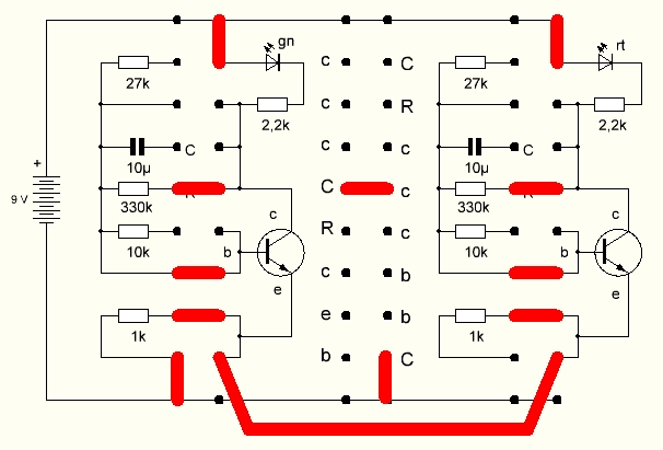
Variation: Drei Widerstände kann man noch einsparen:


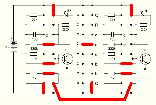
Und noch ein Umbau: Der rechte Transistor verliert seinen Basiswiderstand. Ersatz schafft eine Berührung der Kontakte mit dem Finger. Nun kann man durch mehr oder weniger starke Berührung die Schwingungen beeinflussen.




Home Labor Bastelecke Elektronik-Experimente