Elektronik-Start, Bauteiletest und Fehlersuche Die Platine kann als einfaches Testgerät für verschiedene Bauteile eingesetzt werden. Damit wird auch das grundlegende Verständnis für die Funktion der Bauteile gefördert. Außerdem lassen sich Strategien der Fehlersuche in Schaltungen testen.
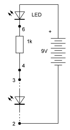
Die Platine eignet sich als einfaches Testgerät, wenn man K3 und K5 trennt. Man
hat dann einen offenen Stromkreis, der zwischen den Anschlüssen 2 und 3
getrennt ist, weil der Transistor nicht leitet. Wenn man hier in richtiger
Polung eine LED einfügt, fließt der gleiche Strom durch die eingebaute und die
externe LED. Das ermöglicht einen einfachen Helligkeitsvergleich. So lässt sich
sehr bequem aus einer größeren Anzahl LEDs die für einen bestimmten Zweck
passende heraussuchen.
Setzt man eine LED in anderer Polung mit der Anode gegen Minus ein, fließt im Normal kein Strom und die eingebaute LED bleibt aus. Bei einer defekten LED kann das allerdings ganz anders aussehen. Bei großer Überlastung kann die Sperrschicht so zerstört werden, dass sie in beiden Richtungen leitet. Auch der umgekehrte Fall ist möglich, dass nämlich eine vollständige innere Unterbrechung entstanden ist. Man kann also auch fehlerhafte LEDs erkennen.

Helligkeitsvergleich
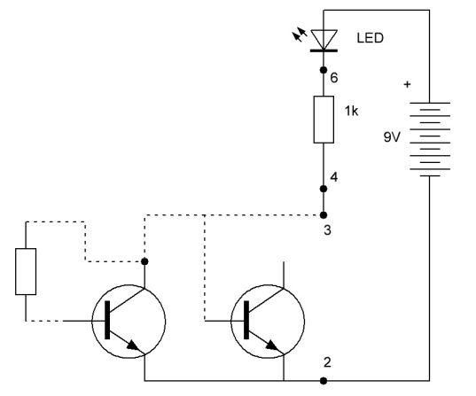
Auch Transistoren lassen sich mit dem einfachen Stromkreis überprüfen. Dazu
testet man am besten zuerst die Basis-Emitter-Diode in Durchlassrichtung mit
der Basis an 3 und dem Emitter an 2. Die LED sollte angehen. Vertauscht man
Emitter und Basis, sollte sie aus bleiben. So kann man erkennen, dass es sich
um einen NPN-Transistor handelt. Die gleichen Tests kann man auch mit der
Basis-Kollektor-Diode durchführen.

Funktionstest an einem Transistor
Ein zweiter Test schaltet den Emitter an 2 und den Kollektor an 3. Im Ruhezustand sollte kein Strom fließen. Wenn man aber einen hochohmigen Widerstand zwischen Basis und Kollektor hinzufügt, sollte ein kleiner Basisstrom und damit ein verstärkter Kollektorstrom fließen, sodass die eingebaute LED sichtbar leuchtet. Statt eines Widerstands reicht auch eine Berührung beider Anschlüsse mit dem Finger. Der Strom steigt mit dem Anpressdruck und mit der Hautfeuchtigkeit, sodass man den Fingerwiderstand in weiten Grenzen verändern kann.
Ein defekter Transistor verrät sich meist durch einen leitenden Zustand auch ohne Basisstrom. Manch ein durchgebrannter Transistor war am Ende nur noch ein niederohmiger Widerstand.
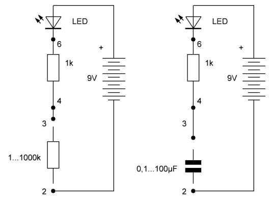
Die Schaltung eignet sich auch als universeller Bauteiletester für Widerstände
und Kondensatoren. Man legt z.B. einen Widerstand von 100 kΩ zwischen 2 und 3. Die LED leuchtet schwach.
Je kleiner der Widerstand, desto heller wird die LED. Auch Widerstände mit 1 MΩ oder mehr erzeugen noch ein schwaches Leuchten,
das man in einem abgedunkelten Raum deutlich sehen kann. Ein defekter Widerstand
zeigt dagegen kein Leuchten mehr.

Bauteiletests
Kondensatoren zeigen bei diesem Test kein Dauerleuchten, sondern nur ein kurzes Aufblitzen. Sobald der Kondensator geladen ist, fließt kein Strom mehr. Man kann den Kondensator allerdings umdrehen, sodass ein neuer Lichtblitz entsteht. Mit etwas Übung kann man aus der Helligkeit und Dauer des Blitzes die Kapazität erkennen. Ein defekter Kondensator mit einem inneren Kurzschluss verrät sich durch ein Dauerleuchten.
Beim Aufbau und Betrieb von Schaltungen kann vieles schief gehen. Defekte
Bauteile sind relativ selten. Bei ernsthaften Überlastungen sieht man oft eine
kleine Rauchwolke, oder man kann riechen, dass etwas heiß geworden ist. Auch
Brandblasen an den Fingern hat es schon gegeben. In vielen Fällen war ein
Transistor dann gegen alle Erwartungen doch nicht kaputt.
Anders ist es bei LEDs. Oft verabschieden sie sich blitzschnell und unspektakulär. Wenn man eine LED versehentlich direkt an eine Batterie hält, wird meist eine kleine Region des LED-Kristalls oder ein internes Verbindungsdrähtchen in Bruchteilen einer Sekunde heiß und brennt durch. In anderen Fällen verschmort der LED-Kristall zu einer leitenden Masse, sodass sich ein Kurzschluss bildet.
Widerstände und Kondensatoren gehen bei einfachen Versuchen mit Batterien praktisch nie kaputt, es sei denn, sie werden mechanisch beschädigt, was man dann klar erkennen kann.
Die häufigsten Fehler in selbst aufgebauten
Schaltungen sind Verwechselungen von Bauteilen oder Verbindungen, Kurzschlüsse
und Unterbrechungen einzelner Leitungen. Oft reicht es, wenn man scharf hinschaut
und alle Bauteile und Verbindungen genau mit dem Schaltplan vergleicht. Relativ
häufig passieren folgende Fehler:
LED falsch gepolt
Transistoranschlüsse verwechselt
Transistortyp verwechselt
Widerstände oder Kondensatoren mit falschem Wert
Elko falsch gepolt
Batterie falsch gepolt
Kurzschluss durch sich berührende Leitungen
Kurzschluss durch zu viel Lötzinn an engen Stellen
Leitungsunterbrechung durch zu kurze Drähte
Unterbrechungen durch schlechte Lötstelle.
Als Beispiel soll hier die einfache Blinkerschaltung dienen. Wenn sie nicht funktioniert, kann man dem Fehler durch ein paar einfache Tests auf die Schliche kommen. Dazu braucht man nur ein Stück Draht, um bestimmte Anschlüsse in der Schaltung zu überbrücken. Die Testbrücken sind in der Schaltung nummeriert.

Fehlersuche mit Kurzschlussbrücken
1. Zuerst wird der Kollektor mit dem Emitter des rechten Transistors verbunden. Die LED muss dann angehen, weil der Stromkreis geschlossen ist. Wenn das nicht passiert, ist vielleicht die LED defekt oder falsch gepolt eingebaut, oder es gibt eine schlechte Lötstelle in diesem Bereich.
2. Ein Kurzschluss zwischen Basis und Emitter sperrt den Transistor. Die LED muss dann ausgehen. Bleibt sie an, ist entweder der Transistor defekt oder es gibt eine falsche Verbindung zwischen den Anschlüssen des Transistors.
3. Ein Kurzschluss zwischen Emitter und Kollektor des linken Transistors schließt zugleich die Basis des rechten Transistors kurz. Die LED muss also ebenfalls ausgehen. Wenn nicht, gibt es offensichtlich eine Unterbrechung zwischen beiden Transistoren, vielleicht durch eine schlechte Lötstelle
4. Die Verbindung zwischen Basis und Emitter des linken Transistors sperrt diesen. Die LED muss dann ganz angehen, weil der rechte Transistor den vollen Basisstrom erhält.
5. Ein Kurzschluss zwischen Basis und Kollektor des linken Transistors liefert einen größeren Basisstrom, sodass die Kollektorspannung etwas absinkt. Der rechte Transistor erhält dann weniger Basisstrom, sodass die LED nur noch schwach leuchtet. Die Schaltung wird so zu einem Stromspiegel. Der Test zeigt, dass die Transistoren ausreichend gleiche Daten haben.
Wenn alle diese Tests bestanden wurden, der Blinker aber trotzdem nicht blinkt, muss der Fehler im Bereich der Rückkopplung über den Kondensator und den Widerstand von 100 kΩ liegen. Ein häufiger Fehler ist ein Isolationsfehler in einem Elko, der dazu führt, dass die Schaltung in einem von beiden Zuständen festhängt. Wenn ein Elko lange gelagert wurde, verschlechtert sich seine Isolierung. Durch Anlegen einer Spannung mit korrekter Polung verbessert sich Isolierung im Laufe von mehreren Minuten oder Stunden wieder.
Es lohnt sich, alle diese Tests an der Blinkschaltung sorgfältig durchzuführen und dabei jedes Mal zu überlegen, welche Wirkung die Verbindungen haben. Ähnliche Tests lassen sich dann auch auf ganz andere Schaltungen übertragen.