Elektronik-Start, Blinker und TongeneratorVideo: https://youtu.be/3Rvq79woihc
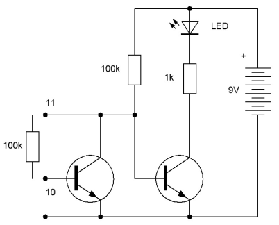
Im letzten Versuch wurde bereits ein Basiswiderstand getestet. Diesmal ist die
Schaltung etwas anders, weil der obere Anschluss von R2 direkt am Pluspol der
Batterie liegt. Sobald R2 mit 100 kΩ eingelötet wurde, erhält der rechte Transistor einen Basisstrom, der
ausreicht, um die LED 1 voll einzuschalten.

Reduzierte Helligkeit
Im nächsten Schritt soll der linke Transistor eingebaut werden. Dadurch ändert sich zunächst nichts, weil dieser Transistor keinen Basisstrom erhält und damit wirkungslos bleibt.

Arbeitspunkeinstellung
Das wird anders, sich wenn ein weiterer Widerstand mit 100 kΩ zwischen Basis und Kollektor angeschlossen wird. Es ist der Widerstand R1, der aber auch provisorisch zwischen 10 und 11 angeschlossen werden kann. Damit erhält der linke Transistor einen Basisstrom, der einen Kollektorstrom fließen lässt.
Ein großer Teil des Stroms durch den ursprünglichen Basiswiderstand R2 fließt nun durch den Kollektor des linken Transistors, und nur ein kleinerer Teil fließt weiterhin durch den Basisanschluss des rechten Transistors. Der linke Transistor nimmt also dem rechten einen großen Teil seines Basisstroms weg. Die LED leuchtet daher nur noch schwach. Entfernt man den provisorisch zwischen 10 und 11 eingefügten Widerstand, wird die LED wieder hell.
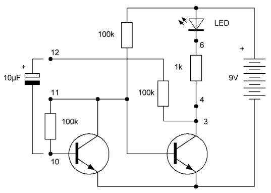
Im nächsten Schritt werden R1 und auch der Widerstand R3 mit ebenfalls 100 kΩ eingelötet. Damit fehlt nur noch ein Bauteil für den vollständigen
Blinker, nämlich der Kondensator. Auf der Platine sind dafür zwei Möglichkeiten
vorgesehen. Man kann entweder den Elektrolytkondensator (Elko) C1 bestücken
oder einen keramischen Kondensator oder Folienkondensator C2 oder auch beide
zusammen. Der Kondensator bestimmt die Blinkgeschwindigkeit. In einem
Vorversuch kann man ihn provisorisch zwischen 10 und 12 einstecken. Wenn es ein
Elko ist, muss die Polung beachtet werden, der Minusanschluss ist durch einen
weißen Balken gekennzeichnet und gehört an die Basis (Anschluss 10). Damit ist
die Schaltung vollständig, und die LED blinkt.

Der Rückkopplungs-Kondensator
Mit einem relativ großen Elko von 10 µF erhält man ein sehr langsames Blinken, das günstig für weitergehende Experimente ist. Wenn es dagegen darum geht, ein einfaches Blinklicht aufzubauen, ist ein kleinerer Kondensator von 1 µF oder z.B. 330 nF besser geeignet. Man sollte verschiedene Kondensatoren testen, bevor man entscheidet, welcher fest eingelötet werden soll.

Blinker mit Elko
Mit einem kleineren Kondensator im Bereich 1 nF bis 10 nF wird das Blinken so
schnell, dass es für unser Auge wie ein gleichförmiges Leuchten erscheint. Man
kann aber die Platine schnell hin und her bewegen oder den Blick schnell über
die Platine schweifen lassen, um die Schwingungen zu sehen. Der leuchtende
Punkt löst sich dann in unterbrochene Striche oder eine Serie einzelner Punkt
auf.
Außerdem kann man nun einen Kopfhörer, Lautsprecher oder Piezo-Schallwandler anschließen und erhält dann einen gut hörbaren Ton. Ein Piezo-Lautsprecher hat den Vorteil, dass er hochohmig ist und die Funktion der Schaltung kaum beeinflusst. Er kann direkt zwischen Kollektor und Emitter des rechten Transistors angeschlossen werden. Wenn man die Schaltung als langsamen Blinker betreibt, ist jeder Umschaltpunkt als einzelnes Knacken zu hören.

Einsatz als Tongenerator

Ansteuerung eines Piezo-Schallwandlers
Der Schallwandler wurde hier provisorisch zwischen die Anschlüsse 2 und 3 gelegt. Der verwendete Kondensator hat nur 2,2 nF, sodass ein relativ hoher Ton entsteht.
Will man einen dynamischen Kopfhörer verwenden, sollte er zwischen den Anschlüssen 6 und 7 angeschlossen werden. Er überbrückt damit die LED und verwendet den Vorwiderstand mit 1 kΩ. Wenn es ein niederohmiger Kopfhörer mit 2 x 32 Ohm ist, geht die LED aus, weil der Spannungsabfall zu gering ist. Man hat dann einen reinen Tongenerator.
Bisher wurden die Steckkontakte K1 bis K5 noch nicht verwendet. Sie sind noch
durch Leiterbahnen verbunden. Nun sollen diese Bahnen zwischen den zugehörigen
Lötpunkten durchtrennt werden. Dazu kann man ein scharfes Messer, die Klinge
eines Schraubendrehers oder auch eine dünne rotierende Schleifscheibe
verwenden. Nach der Trennung der Kontakte sollen die zweipoligen Stecker, also
Stiftleisten im Abstand von 2,54 mm eingeblötet werden.

Durchtrennen der Verbindungen

Pfostenstecker und Jumper
Von nun an kann man frei entscheiden, welche der Verbindungen offen bleiben soll und welche durch eine Steckbrücke (Jumper) geschlossen werden soll. Mit unterschiedlichen Verbindungen kann man mit der einen Platine sehr viele unterschiedliche Schaltungen aufbauen. Einzelne Bauteile oder Teilschaltungen lassen sich abschalten oder auch aktivieren. Alle folgenden Versuche werden auf diese Weise möglich.