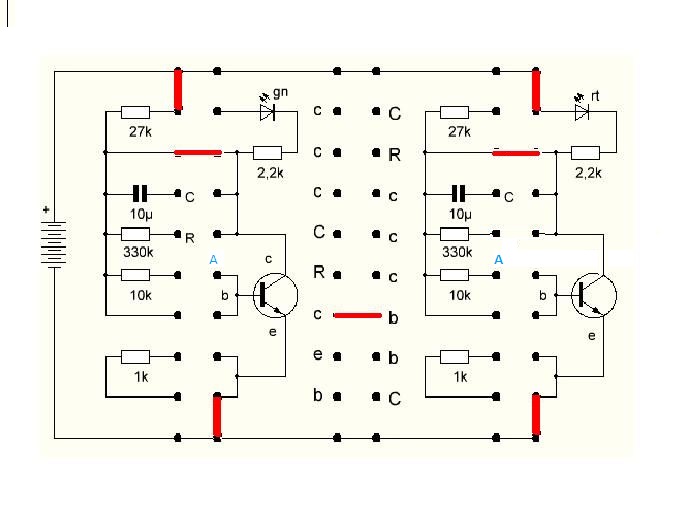
Alarmanlage mit Überwachung der Meldeschleife

Die
vorliegende Schaltung stellt eine kleine Alarmanlage dar. Nach
Anschalten der Batterie ist zunächst nicht klar definiert ob
Led1(rot) oder Led2(grün) leuchtet. Als Reset wird S1 (B-E-
Strecke von T2) kurz gebrückt. Die Schaltung kippt um, Led1 (rot)
verlischt und Led2 (grün) leuchtet auf.
Das ist der Bereitschaftsfall.
Hinweis: Die Schleife liegt zwischen den beiden Punkten "A".Siehe Bild "Alarm_Jumper"
Die
Anlage ist "aktiv" und die Schleife ist geschlossen. T2 ist gesperrt,
da UBE = 0 V und UCE = 4,5 V sind. Über R3 wird T1 durchgesteuert
gehalten, UBE= 0,7 V, entsprechend UCE= 0 V. Led2 (grün) leuchtet als
Zeichen der Aktivierung, gleichzeitig auch als ohmmäßige
Kontrolle der Überwachungsschleife.
Wird
jetzt die Schleife, bestehend aus R3 und Led2 (grün) unterbrochen,
sperrt T1. Er bekommt keine Basisvorspannung mehr , die
Kollektorspannung steigt an. Dieser Anstieg steuert T2 durch und Led1
(rot) leuchtet. Es ist der Alarmfall.
Selbst
ein sofortiges Wiederschließen der Schleife setzt den Alarm nicht
zurück. Hierzu ist, wie oben erwähnt, ein Reset des S1 (B-E- Strecke
von T2) und das Schließen der Schleife nötig. R3 kann in weiten
Bereichen gewählt werden. Möglich sind Werte zwischen 1 und 10kOhm um
ein Leuchten der grünen Led zu erkennen. Man kann aber auch die Led und
R3 weglassen und nur ein Kabel einsetzen.