ATtiny13-Speicheroszilloskop      

von Hermann Nieder                     
Elektronik-Labor  Projekte  AVR 



Die Software zum Lernpaket „Elektronikstart mit USB“ bietet ähnlich wie diejenige zum „Lernpaket Mikrocontroller“ u. a. auch die Möglichkeit, ein sehr einfaches Speicheroszilloskop aufzurufen, wenn in den  beigefügten ATtiny13 zuvor die Datei Interface.hex übertragen wurde. Es kann entweder eine Einkanalmessung oder eine Zweikanalmessung  gestartet werden. Die ausführlichen Erläuterungen im Handbuch regten mich dazu an, ein vorhandenes Programmlisting in Visual Basic 5 von der CD zum Lernpaket als Grundlage zu verwenden und es so zu erweitern, dass eine farbige Darstellung der zeitlichen Verläufe von Spannungen möglich ist, wie dies auf dem oben abgebildeten Screenshot zu sehen ist. Nach dem Öffnen der COM-Schnittstelle ändert man mit dem Schieber einer der beiden horizontalen Bildlaufleisten  die Farbe eines Figurenfelds rechts daneben und legt diejenige der Linie im Oszillogramm fest, die dem zeitlichen Verlauf der Messspannung  entspricht. Zusätzlich kann mit einem von drei  Optionsfeldern die Linienbreite im Oszillogramm gewählt werden. Mit einem von  zwei anderen Optionsfeldern oben unter dem Bildfeld  kann eine Zweikanal- oder eine Einkanalmessung gestartet werden. Im letzteren Fall werden die nicht benötigten Befehlsschaltflächen usw. der Übersichtlichkeit wegen  ausgeblendet. Die Messwerte, die vom Mikrocontroller gesendet werden, übernimmt das Programm in Visual Basic 5 bei einer Einkanalmessung in ein Listenfeld. Mit der Schaltfläche „Oszillogramm darstellen“ wird dieses darauf in einem Bildfeld angezeigt. Für eine Zweikanalmessung  stehen zwei Listenfelder für die Übernahme der Messwerte zur Verfügung, die vom angeschlossenen ATtiny13 übermittelt werden. Dies  veranschaulicht der folgende Screenshot .




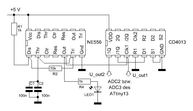
Bei einer Zweikanalmessung kann es sinnvoll sein, die Linienbreite z. B. auf den Wert 2 zu setzen. Es besteht zusätzlich die Möglichkeit, beim Drücken des Schaltfeldes „Skala“ im Bildfeld eine Skala anzeigen zu lassen. Dies ist der Plan zur Schaltung, mit der die abgebildeten  Oszillogramme aufgenommen wurden.



Eines der D-Flip-Flops in einem CMOS-Baustein 4013 wird verwendet, um die Frequenz der rechteckförmigen Spannung am Ausgang Out(Pin 5) des NE556 zu halbieren. Die abgebildete  Schaltung wird mit einer stabilen Gleichspannung von 5 V betrieben, um den angeschlossenen ATtiny13 nicht zu überlasten.  Dieser ist nach den Angaben im Handbuch zum Lernpaket mit der USB-Platine aus demselben zu verbinden.  Für die Aufzeichnung langsamer Vorgänge bis zu einer Dauer von 5 Minuten ist zum Beispiel das Programm in Visual Basic 5  geeignet, von dem der folgende Screenshot stammt.




Nach dem Öffnen der Schnittstelle ändert man die Position des Schiebers einer Bildlaufleiste und legt damit die Farbe des Punktes rechts daneben sowie diejenige der betreffenden später darzustellenden Linie im Spannungs-Zeit-Diagramms fest. Die jeweilige Aufzeichnungsdauer kann mit einer von fünf Optionsfeldern  festgelegt werden. Die Beschriftung  an der Zeitachse im Bildfeld wird entsprechend verändert. Für die Messung mit dem  Zweikanal-Plotter wurde in der oben abgebildeten Schaltung  die Kapazität des Kondensators auf 100 µF erhöht, und der Widerstandswert von R2 betrug nun 47k.Die für den Betrieb des PC-Programms in Visual Basic 5 notwendige Funktionsbibliothek RSCOM.DLL findet man auf den Seiten von Burkhard Kainka, wo sie heruntergeladen werden kann.

Download VB-Projekte und Tiny13-Software:  OsziT13_F.zip

Private Sub Command7_Click()
List1.Clear
List2.Clear
n = 0
'Timer1.Enabled = True
SENDBYTE 100
While n < 62
d = READBYTE
'ADC3-Werte
List2.AddItem Str$(d)
n = n + 1
Wend
End Sub

Abholen der Messwerte in VB (Ausschnitt)



k100: cpi Kom,100 ;Oszi 1 Kanal
brne K101
Oszi: ldi XL,96
ldi XH,0
ldi Count2,61
O100: rcall ADCrd8BitB4
st X+,A
dec Count2
brne O100 ;61 mal

ldi XL,96
ldi XH,0
ldi Count2,61
O101:
Ld A,X+
rcall WrCOM
dec Count2
brne O101 ;61 mal

k101: cpi Kom,101 ;Oszi 2 Kanal
brne K250
Oszi2:ldi XL,96
Ldi XH,0
Ldi Count2,31
O102: rcall ADCrd8BitB4
St X+,A
rcall ADCrd8BitB3
st X+,A
dec Count2
brne O102 ;61 mal
ldi XL,96
ldi XH,0
ldi Count2,62
O103:
Ld A,X+
rcall WrCOM
dec Count2
brne O103 ;61 mal


Assemblerprogramm im Tiny13 (Ausschnitt)


Elektronik-Labor  Projekte  AVR