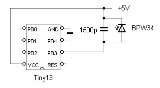
Milli-Lux messen
Geringste Helligkeiten messen, das geht mit einem Tiny13-Controller
aus dem Lernpakt Mikrocontroller und einer Fotodiode BPW34. Das
Messprinzip: Der Controller lädt einen kleinen Kondensator von
1500 pF auf 5 V auf und misst dann die Zeit, in der die Fotodiode den
Kondensator halb entladen hat. Aus der gemessenen Zeit kann man die
Helligkeit bestimmen.
Das
Messprogramm Lichtsensor1.bas entlädt den Port B3 zunächst
und schaltet ihn dann hochohmig. In einer Schleife wird dann gemessen,
wie lange es dauert, bis der Portzustand high wird. Die Spannung
beträgt dann etwa 2,5 V.
'Empfindlicher Lichtsensor
'1,5 nF + Fotodiode gegen Vcc
$regfile = "attiny13.dat"
$crystal = 1200000
Dim D As Long
Config Adc = Single , Prescaler = Auto
Start Adc
Open "comb.1:9600,8,n,1,INVERTED" For Output As #1
Do
D = 0
Ddrb.3 = 1
Portb.3 = 0
Waitms 10
Ddrb.3 = 0
Do
D = D + 1
Waitms 1
Loop Until Pinb.3 = 1
Print #1 , D
Waitms 500
Loop
End
Download: Lichtsensor1.zip
Bei
großer Helligkeit zeigt das Programm nur eine Millisekunde, bei
absoluter Dunkelkeit etwa 6000 ms. Laut Datenblatt bringt die BPW34 bei
1 klx 70 µA. Das wären alo für 1 lx: 70 nA. Das
wären dann 54 ms, wie mein Kapazitäts-Ladezeit-Rechner bei 1,5 nF und 2,5 V zeigt.
Die
größte Ladezeit ist aber noch ca. 100 mal länger. Der
Dunkelstrom beträgt laut Datenblatt etwa 2 nA. Daraus ergibt sich
eine Ladezeit von ca. 1,9 s. Tatsächlich ist die Zeit bei
Dunkelheit noch dreimal größer, meine Fotodiode ist also
etwa dreimal besser als das Datenblatt sagt.
Mit den gegebenen Daten kann ich das Messergebnis in Lux bzw. in Milli-Lux (mlx) umrechnen:
'Empfindlicher Lichtsensor
'100 nF + Fotodiode gegen Vcc
$regfile = "attiny13.dat"
$crystal = 1200000
Dim D As Word
'Baud = 9600
Config Adc = Single , Prescaler = Auto
Start Adc
Open "comb.1:9600,8,n,1,INVERTED" For Output As #1
Do
D = 0
Ddrb.3 = 1
Portb.3 = 0
Waitms 10
Ddrb.3 = 0
Do
D = D + 1
Waitms 1
Loop Until Pinb.3 = 1
D = 54000 / D
Print #1 , D ; " mlx"
Waitms 500
Loop
End
Download Lichtsensor2.zip
Das Programm zeigt nun die untere Messgrenze von 8 mlx für absolute Dunkelheit. 
Dark as dark can be....
Weiter: Fotodiode als Silizium-LED
Siehe auch: EF80, die verkannte Fotozelle